EasyManua.ls Logo

Yamaha FT50C - Electrical Components; Starboard and Port Views

Yamaha FT50C
267 pages
Print Icon
To Next Page IconTo Next Page
To Next Page IconTo Next Page
To Previous Page IconTo Previous Page
To Previous Page IconTo Previous Page
Loading...
ELEC
Electrical systems
+
8-3
62Y5A11
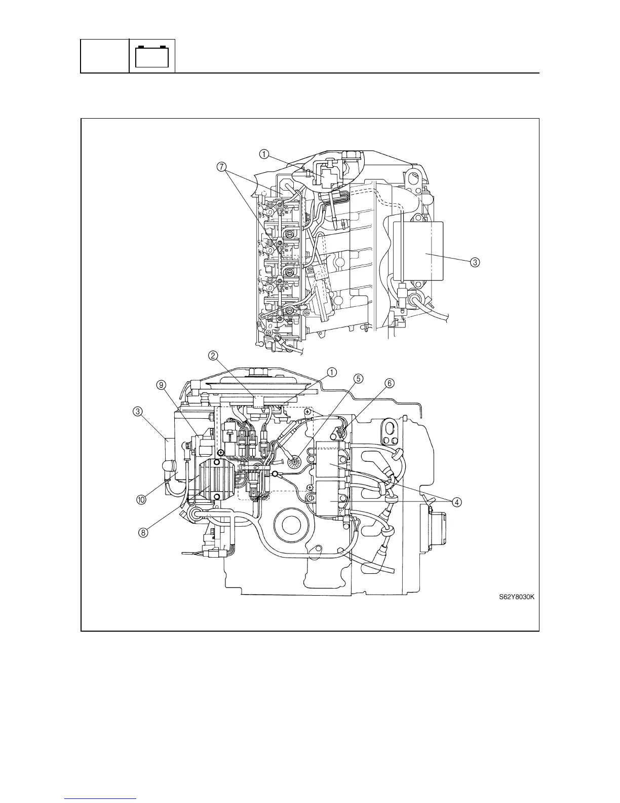
Electrical components
8
Starboard and port views
1
Stator
2
Pulser coil
3
CDI unit
4
Ignition coil
5
Oil pressure switch
6
Thermoswitch
7
Prime Start
8
Rectifier Regulator
9
Starter relay
0
Starter motor

Table of Contents

Related product manuals