EasyManua.ls Logo

Yamaha FT50C - Disassembling the Oil Pan; Checking the Oil Strainer and the Relief Valve; Assembling the Oil Pan

Yamaha FT50C
267 pages
Print Icon
To Next Page IconTo Next Page
To Next Page IconTo Next Page
To Previous Page IconTo Previous Page
To Previous Page IconTo Previous Page
Loading...
BRKT
Bracket unit
7-15
62Y5A11
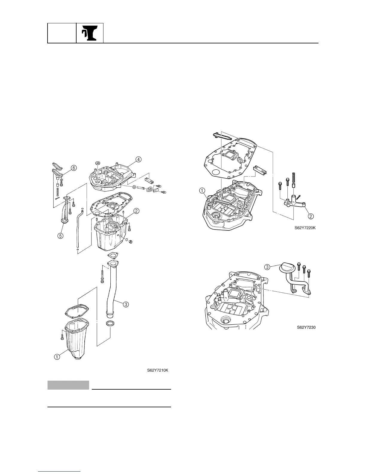
Disassembling the oil pan
1. Remove the muffler
1
from the oil pan
2
.
2. Remove the exhaust manifold
3
from
the oil pan
2
.
3. Remove the oil pan
2
from the exhaust
guide
4
.
4. Remove the oil strainer
5
and the relief
valve housing
6
.
CAUTION:
Do not reuse the gaskets, always replace
them with a new one.
Checking the oil strainer and the
relief valve
1. Check the oil strainer and relief valve for
dirt and residue. Clean if necessary.
Assembling the oil pan
1. Install the gaskets onto the exhaust
guide
1
.
2. Install the relief valve assembly
2
by
installing the bolts, then tightening them
finger tight.
3. Install the oil strainer
3
by installing the
bolts.
4. Install the water pipe
4
.
5. Install the oil pan
5
and bolts, and then
tighten the bolts finger tight.
6. Install the exhaust manifold
6
and bolts,
and then tighten the bolts finger tight.

Table of Contents

Related product manuals