EasyManua.ls Logo

Yamaha FT50C - Page 135

Yamaha FT50C
267 pages
Print Icon
To Next Page IconTo Next Page
To Next Page IconTo Next Page
To Previous Page IconTo Previous Page
To Previous Page IconTo Previous Page
Loading...
62Y5A11
5-48
1
2
3
4
5
6
7
8
9
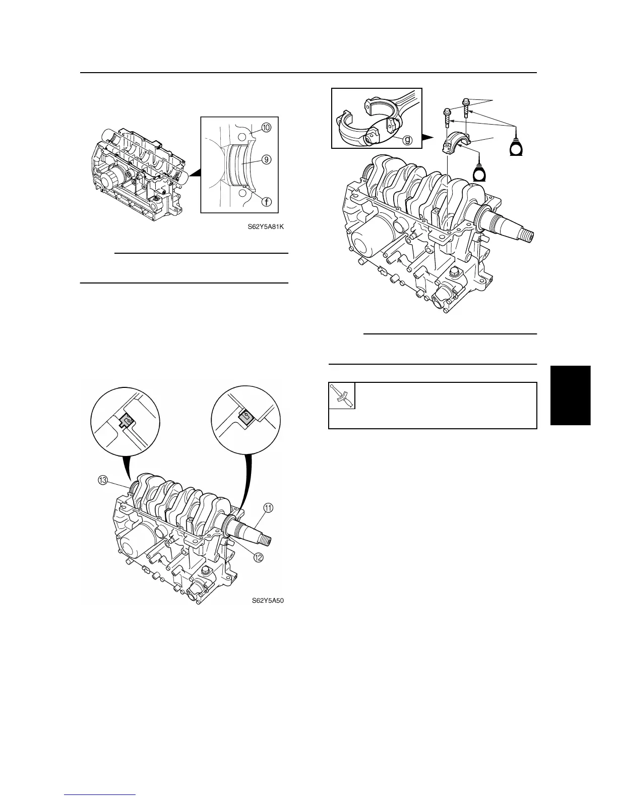
6. Install half of the bearings
9
into the cyl-
inder body
0
.
NOTE:
Insert the projection
f
of the bearing into the
notch in the cylinder body.
7. Set the crankshaft
A
, and oil seals
B
and
C
into the cylinder body as shown.
Apply engine oil to the inner oil seal, jour-
nal bearings, and connecting rod bear-
ing.
8. Install the connecting rod cap
8
to the
connecting rod, and then tighten the con-
necting rod bolts
D
to the specified
torques in two stages. Apply engine oil to
the connecting rod cap and connecting
rod bolt.
NOTE:
Align the alignment marks
g
on the connect-
ing rod cap and connecting rod.
9. Install half of the bearings
9
into the
crankcase, then dowel pins
E
.
T
R
.
.
Connecting rod bolt:
1st: 6 N·m (0.6 kgf·m, 4.3 ft·lb)
2nd: 17 N·m (1.7 kgf·m, 12 ft·lb)
S62Y5A80
8
D
E
E
Cylinder body

Table of Contents

Related product manuals