EasyManua.ls Logo

YASKAWA MP2300Siec - Page 63

YASKAWA MP2300Siec
116 pages
Print Icon
To Next Page IconTo Next Page
To Next Page IconTo Next Page
To Previous Page IconTo Previous Page
To Previous Page IconTo Previous Page
Loading...
14.2 AO–01 (Analog Output) Module
14.2.8 AO-01 Module Connector Connection Example
61
14.2.8 AO-01 Module Connector Connection Example
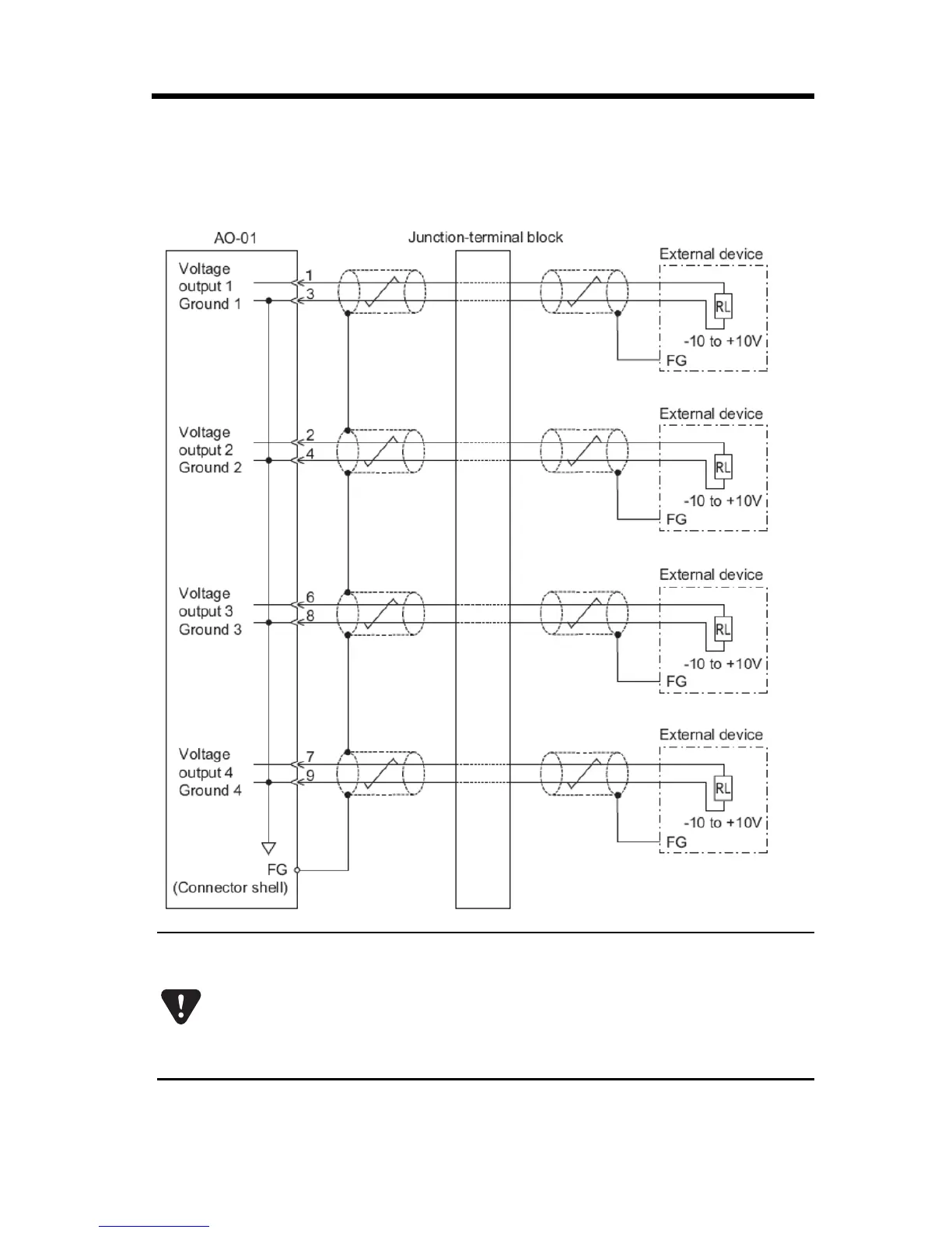
CN1 Connector Connection Example
Use the AO-01 standard cable (JEPMC-W6090-) for the connection to the
external device. Use the junction terminal block because the distance between
the external devices and the module are different as seen on the above
diagram.
Ground the cable shield between the external devices and the junction terminal
block by the external device side.

Related product manuals