EasyManua.ls Logo

ABB ACS880-604

ABB ACS880-604
134 pages
To Next Page IconTo Next Page
To Next Page IconTo Next Page
To Previous Page IconTo Previous Page
To Previous Page IconTo Previous Page
Loading...
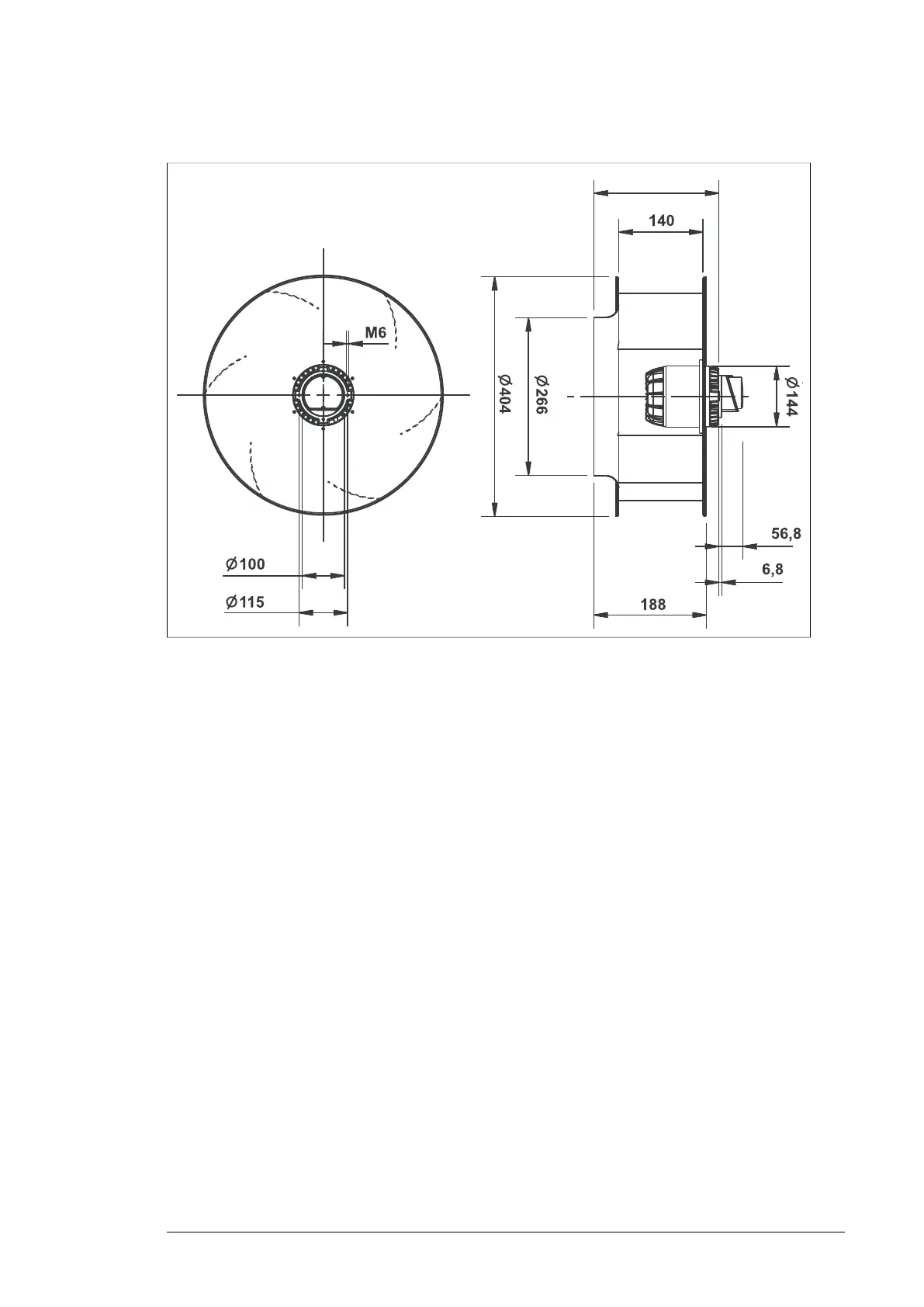
CRBB/4-400/188 cooling fan
218
Dimension drawings 127

Table of Contents

Related product manuals