EasyManua.ls Logo

ABB ACS880-604

ABB ACS880-604
134 pages
To Next Page IconTo Next Page
To Next Page IconTo Next Page
To Previous Page IconTo Previous Page
To Previous Page IconTo Previous Page
Loading...
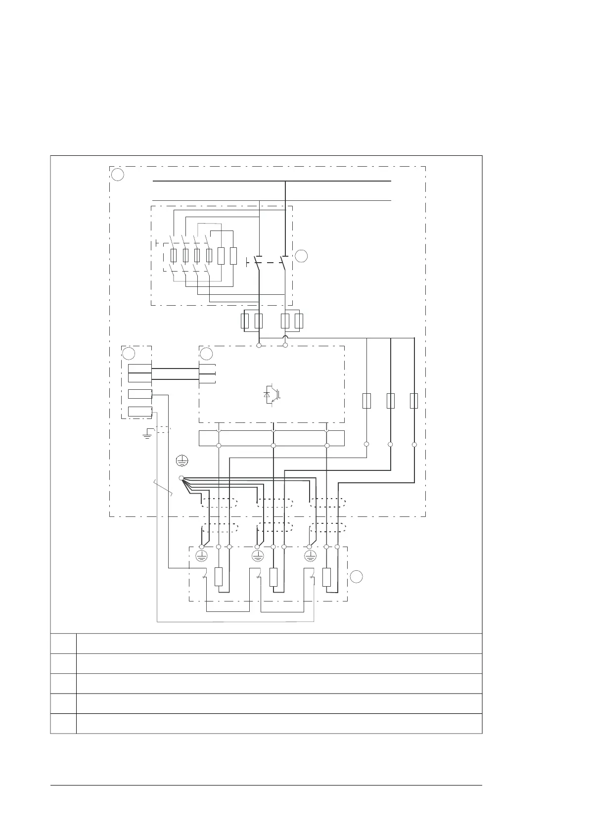
Overview of power and control connections
The diagram below shows the power and control connections of the brake unit consisting
of one 3-phase brake module. For parallel-connected brake modules, the brake resistors
are connected to each brake module also as shown below.
9 :8
'&'&
3(
'&
'&
t
t
t
5 5 5
9
',
97
95
9
9
5 5 5
Brake module cubicle1
DC switch/disconnector with charging circuit2
Control unit3
Brake module4
Brake resistors5
22 Operation principle and hardware description

Table of Contents

Related product manuals