EasyManua.ls Logo

Advantage Backyard Buddy - Troubleshooting and Parts; Troubleshooting Guide

Advantage Backyard Buddy
60 pages
Print Icon
To Next Page IconTo Next Page
To Next Page IconTo Next Page
To Previous Page IconTo Previous Page
To Previous Page IconTo Previous Page
Loading...
BYB User Manual Page 47 of 55 PN: 90020 Version: 1.4
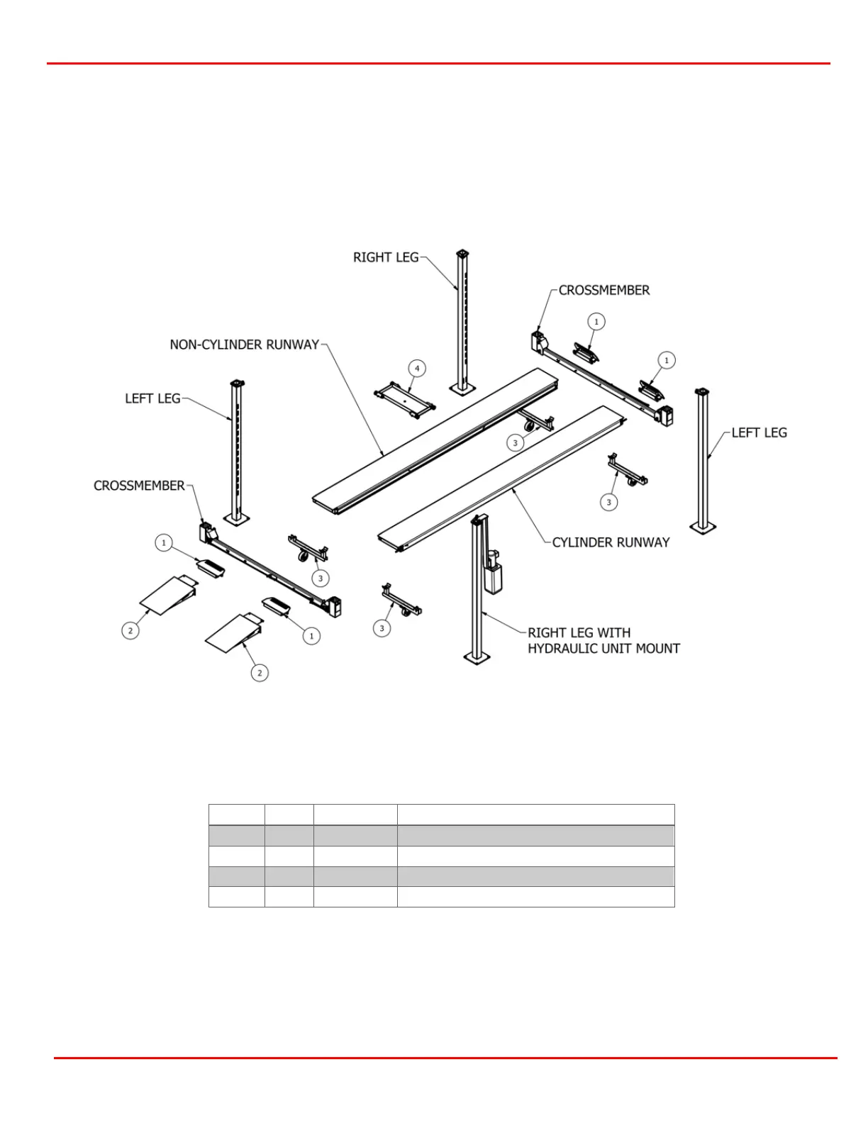
Parts List
Main Lift Overview
Item
Qty
PN
Description
1
4
40204
Assembly, Wheel Stop
2
2
40205
Ramps
3
4
40246
Caster Assembly
4
1
40247
Rolling Jack Platform

Table of Contents