EasyManua.ls Logo

Alpine iLX-507E - RCA Camera Connection; Camera Connections (RCA)

Alpine iLX-507E
80 pages
Print Icon
To Next Page IconTo Next Page
To Next Page IconTo Next Page
To Previous Page IconTo Previous Page
To Previous Page IconTo Previous Page
Loading...
ALPINE iLX-F509E 68-41657Z84-A (EN)ALPINE iLX-F509E 68-41657Z84-A (EN)
78-EN
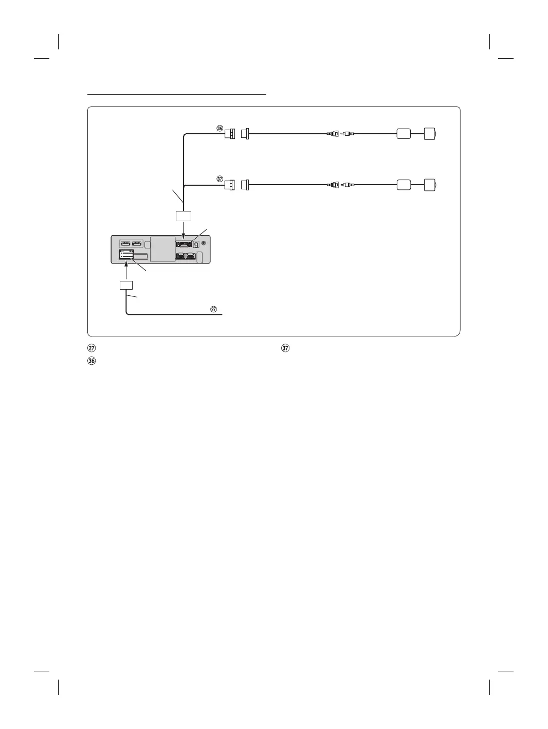
Connection of a Camera (RCA connected Camera)
CAN I/F cable
Power Supply Connector
Power cable
CAN I/F Connector
Reverse
(Orange/White)
Camera input adapter
(included)
Rear Camera HCE-C1100, etc.
(sold separately)
Front or Side Camera
(sold separately)
REAR CAMERA
FRONT CAMERA
Camera input adapter
(included)
Connect to the plus side of the car’s reverse lamp.
Reverse Lead (Orange/White)
REAR CAMERA Input Connector
FRONT CAMERA Input Connector

Table of Contents

Related product manuals