EasyManua.ls Logo

Ammann ASC 110 - Wiring Diagram ASC 110 ACE

Ammann ASC 110
194 pages
Print Icon
To Next Page IconTo Next Page
To Next Page IconTo Next Page
To Previous Page IconTo Previous Page
To Previous Page IconTo Previous Page
Loading...
179ASC 110
MAINTENANCE MANUAL
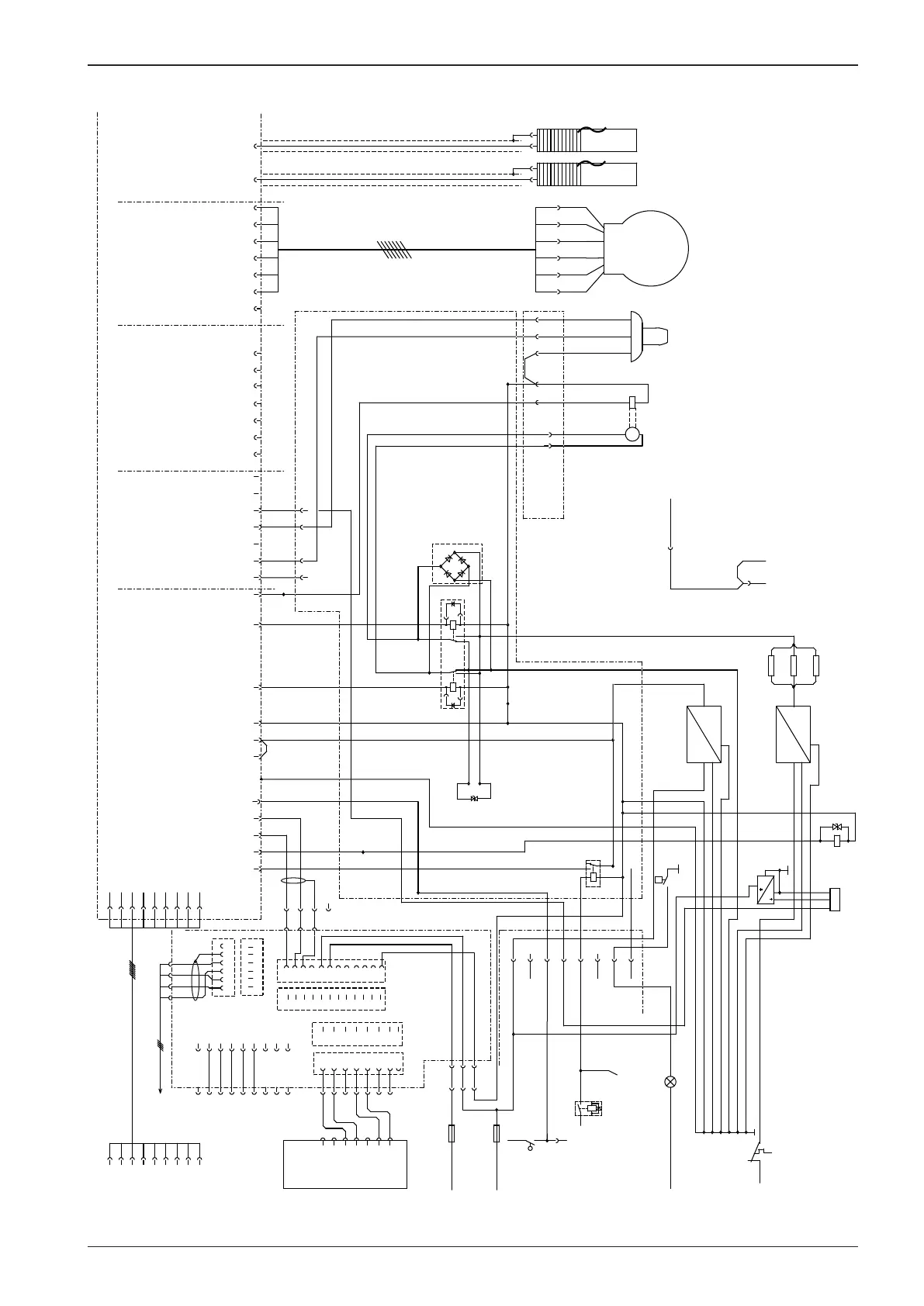
Wiring diagram ASC 110 ACE
M
B101
+
+
X113.7
86
X113.3
X113.6
X113.3
X113.4
X113.8
X100.A12
87
85B
86B
30B
87a
30A
85A
86A
30A
X111.2
X111.3
X111.1
X111.4
X106.9
X106.8
X106.7
X106.6
X106.4
X106.1
X106.2
X106.3
X106.5
X101.2
X101.1
X113.5
X134.C
X134.A
X134.B
X133.B
X133.D
X133.C
X133.A
+12V
X135.11
X135.10
X135.8
X135.3
X135.2
X135.1
X137
X136
A
B
B
A
X105
X104
X103.1
X103.7
X103.5
X103.3
X103.2
X103.6
X103.4
X102.7
X102.6
X102.5
X102.4
X102.3
X102.2
X102.1
X101.7
X101.6
X101.3
X101.5
X101.4
X100.D13
X100.A2
X100.D12
X100.D3
X100.B13
X100.A11
X100.A10
(15)
87a87
3085
X113.1X113.1
X113.2
X113.1
X99.8
X99.3
X99.7
X99.6
X99.5
X99.4
X99.1
X99.2
X13:1
NO C
5
1
3
2
24V
5V
12A
24V
24V
1R
1R
1R
12V/30A
12V/18A
5
X121.1
X121.2
X121.3
X121.4
X121.5
X121.6
X121.-
RS232
PC/VAM
RS232
1A
+24V (30)
X116.5
X116.3
X116.2
X116.1
X116.4
X116.6
X116.7
X116.8
X116.9
X113.1
X113.3
P
F5 +24V (15)
X113.3
17-32V
0V
17-32V
13,6V
0V
X117.5
X117.6
X117.1
X117.3
X117.2
X117.7
X117.8
X118.19
X118.20
X118.21
X118.1
X118.2
X118.3
X118.4
X118.5
X119.4
X119.3
X119.2
X119.1
6
5
3
4
2
1
6
5
4
3
2
1
12
11
10
9
3
4
2
1
5
6
7
8 8
7
6
5
1
2
4
3
9
10
11
12
8
7
6
5
3
4
2
1
3
4
2
1
5
6
7
8
X118.12
X118.11
X118.10
X118.16
X118.17
X120.7
ST4.1
ST4.2
ST4.3
ST4.4
ST4.5
ST4.6
ST4.7
ST4.8
ST4.9
X120.9
X120.8
X120.6
X120.5
X120.4
X120.3
X120.2
X120.1
15A
X99.4
(15)
X113.2
+24V
13,6V
X21.6
X100.B4
X100.C1
X100.A1
D106
D104
D100
K100
V104
V103
V102
V101
Y100
M100
B100
B101
B103
B102
K101
S12
Y10
K7
F100
R
R
R
S18
D103
PC
F101
PC
S101
H101
ST1
ST1
ST2 ST2
ST3
ST3
F102
D101
7 Pole socket
Printer conection - not applied
7 Pole plug
Can bus
Vibration
turning on
Logic supply
12VDC Power supply
Left turning gear box relay
Gear box brake
Vibrator revolution sensor
Speed travel signal
Gradability signal
Speed signal
7 Pole socket
Position sensor - Gear box
BNC socket
Accelerometres
Acceleration sensor 2
Acceleration sensor 1
Right turning gear box relay
Can bus
GND
GND (31)
GND
DATA+
Clock+
+12V
DATA-
Clock-
-12VDC
+12VDC
Backward travel
Speed travel
Reserve
Backward travel signal
PWM-signal (vibration)
Signal of vibtration turning on
Sensor of wheel speed
Sensor of
left wheel speed
PRINTER
(option)
D100 Computer VAM 4
B100 Transmission speed sensor
K100 Contactor for gearbox motor reversing
B101 Eccentric (cam) position sensor
B102,B103 Vibration sensors
(accelerometers)
Y100 Gearbox brake magnet
V101, 102 Protective diodes
D101 LCD panel
D103 Printer
D104 Contactor of relay box
D106 Distribution box on the drum
H101 Indicator of hydraulic lter clogging
K101 Vibration signal relay
M100 Gearbox motor
S101 Switch of hydraulic lter clogging
V103 Protective diodes
V104 Protection transil of the machine output.
Speed travel
VAM
Clock-
DATA-
Clock+
DATA+
GND
Vibration
USB
9 Pole socket
RS232
211401en
Connection of speed signal on the
machine with full dierential lock.

Table of Contents

Other manuals for Ammann ASC 110

Related product manuals