EasyManua.ls Logo

Ammann ASC 110 - Page 187

Ammann ASC 110
194 pages
Print Icon
To Next Page IconTo Next Page
To Next Page IconTo Next Page
To Previous Page IconTo Previous Page
To Previous Page IconTo Previous Page
Loading...
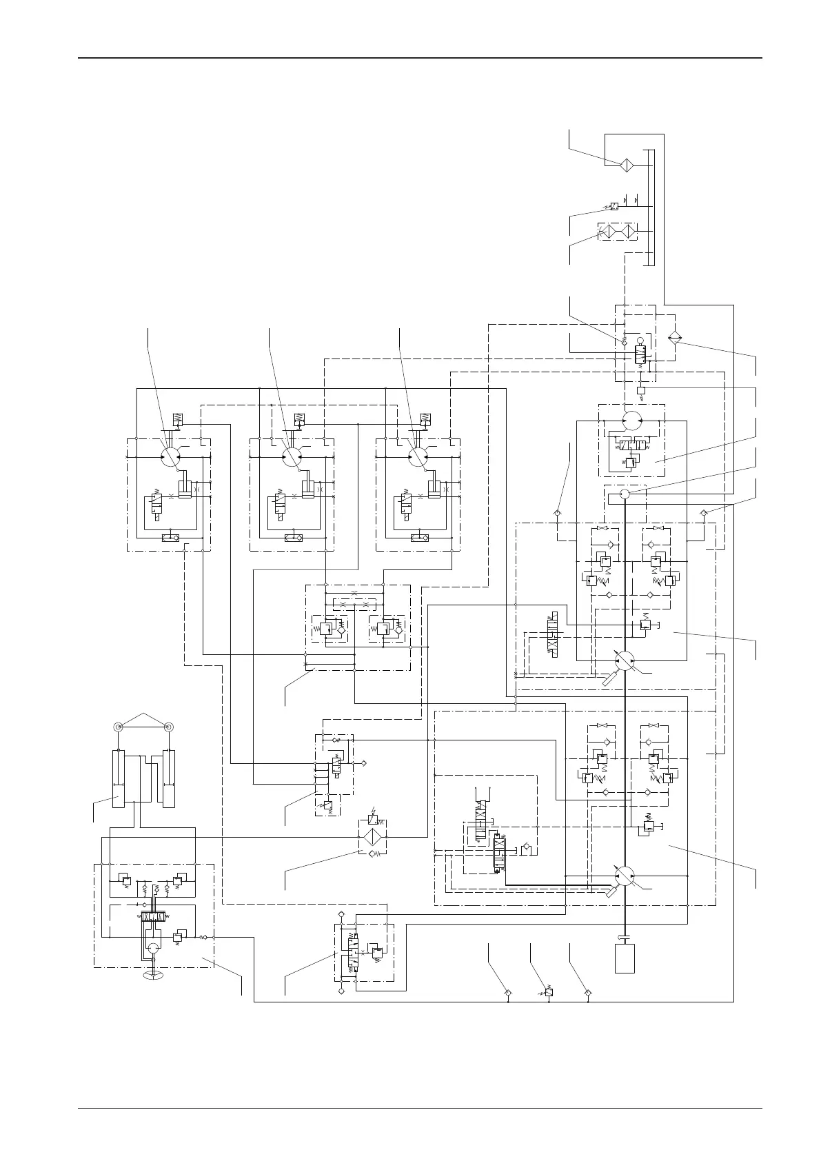
181ASC 110
3
1512
13
23
22
19
18
20
21
1716
14
1
23 4
23
82
11
9
10
5
6
7
2200
RPM
C
A
BP1
P
S
T
A
M
A
B
B
M
1 MPa
(
)
() )
(
(
)
(
)
()
B
A
Vg min
Vg max
L1
L2
B
Vg min
Vg max
M5M4 MB
MA
L1
M4 M5 MB
MA
A
L2
L2
A
MBM5M4
L1
Vg max
Vg min
B
MA
420
420
1,2 mm
60 bar
5bar
55°C
40°C
°C
°C
45
75
100
28
420
420
350
350
22
798
200
200
150
R
L
T
P
5
2,7
3,5
M
B1 B4 B3B2
T
P1
B5
16 bar
15 bar
44
28
60
26
54
24
26
60
211628
MAINTENANCE MANUAL

Table of Contents

Other manuals for Ammann ASC 110

Related product manuals