EasyManua.ls Logo

Astoria Core 600 - AL Version

Astoria Core 600
104 pages
Print Icon
To Next Page IconTo Next Page
To Next Page IconTo Next Page
To Previous Page IconTo Previous Page
To Previous Page IconTo Previous Page
Loading...
TECHNICIANS' manual 79 of 104
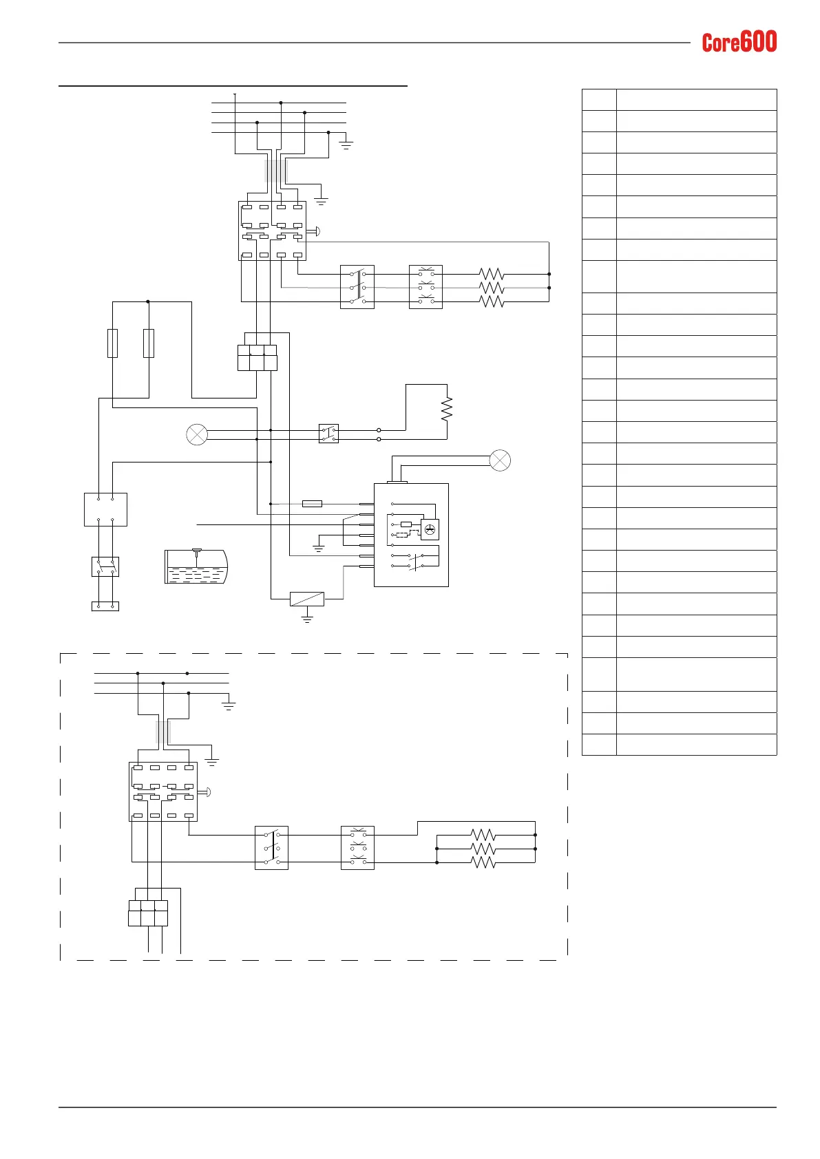
14.3 AL version
ALD Cup warmer LED power supply
BI White
BL Blue
CAL Heating unit
CB Wiring
CO Power switch
CLS Cup warmer LED connector
CT Connector
EVC
Heating unit lling solenoid
valve
F1 10 A fuse
F2 6.3 A fuse
GR Grey
GV Yellow green
ILS Cup warmer LED switch
IST Cup warmer switch
LA Light switched on
LED Timeout LED
MA Brown
N Neutral
NE Black
PR Pressure switch
R Phase
RE Heating unit heating element
RL30 AEA control unit
RO Red
S Phase
SA
Heating element protection
thermostat
SCT Cup warmer heating element
SL Heating unit level probe
T Phase
SINGLE-PHASE version

F2F1
CO
SAPR
CB
RE
SCT
RL30
LED
BI
FU
GV
GV
NE
RO
BI
EVC
BI BL
MA
CT
LA
CAL
ILS
24V
+ -
ALD
CLS
SL
IST
BL
MA
R
S
T
N
MA
BL NE GR GV


 


CB
RE
CO
SAPR
R
N
MA BL
GV


 



Table of Contents

Related product manuals