EasyManua.ls Logo

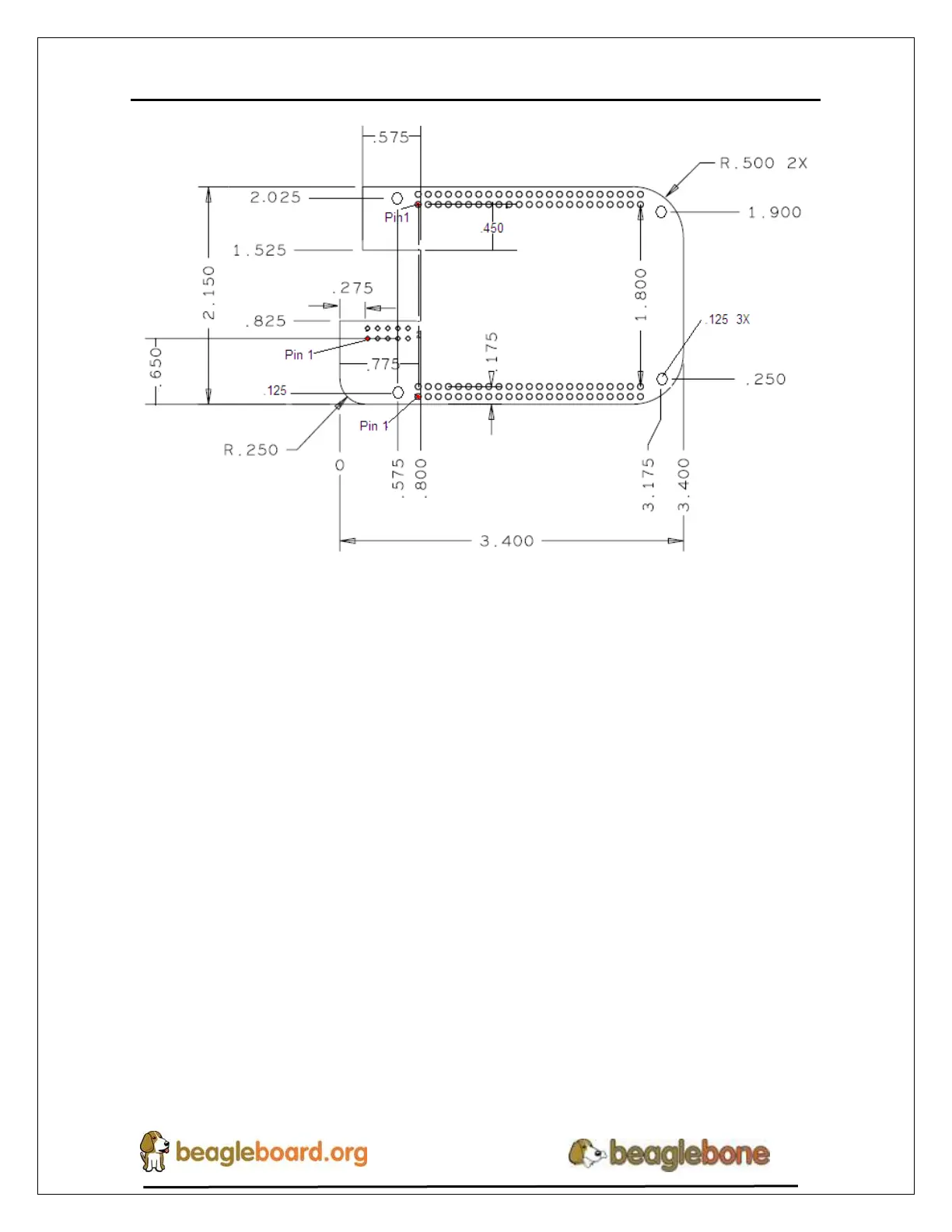
BeagleBone Black - Extended Cape Size; Figure 63. Cape Board Dimensions

BeagleBone Black
108 pages
Print Icon
To Next Page IconTo Next Page
To Next Page IconTo Next Page
To Previous Page IconTo Previous Page
To Previous Page IconTo Previous Page
Loading...
REF: BBONEBLK_SRM
BeagleBone Black System
Reference Manual
Rev A5.2
Page 99 of 108
Figure 63. Cape Board Dimensions
A slot is provided for the Ethernet connector to stick up higher than the cape when
mounted. This also acts as a key function to insure that the cape is oriented correctly.
Space is also provided to allow access to the user LEDs and reset button on the main
board.
Some people have inquired as to the difference in the radius of the corners of the
BeagleBone Black and why they are different. This is a result of having the BeagleBone
fit into the Altoids style tin.
It is not required that the cape be exactly like the BeagleBone Black board in this respect.
8.7.2 Extended Cape Size
Capes larger than the standard board size are also allowed. A good example would be an
LCD panel. There is no practical limit to the sizes of these types of boards. The notch for
the key is also not required, but it is up to the supplier of these boards to insure that the
BeagleBone Black is not plugged in incorrectly in such a manner that damage would be
cause to the BeagleBone Black or any other capes that may be installed. Any such
damage will be the responsibility of the supplier of such a cape to repair.
As with all capes, the EEPROM is required and compliance with the power requirements
must be adhered to.

Table of Contents