EasyManua.ls Logo

BeagleBone Black - Figure 25. Power Rails

BeagleBone Black
108 pages
Print Icon
To Next Page IconTo Next Page
To Next Page IconTo Next Page
To Previous Page IconTo Previous Page
To Previous Page IconTo Previous Page
Loading...
REF: BBONEBLK_SRM
BeagleBone Black System
Reference Manual
Rev A5.2
Page 43 of 108
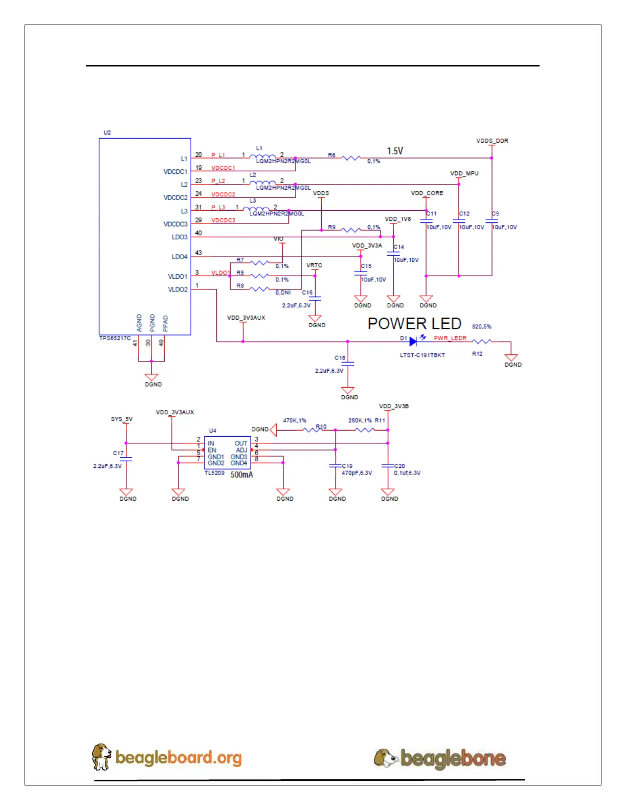
6.1.9 Power Rails
Figure 25 shows the connections of each of the rails from the TPS65217C.
Figure 25. Power Rails
6.1.9.1 VRTC Rail
The VRTC rail is a 1.8V rail that is the first rail to come up in the power sequencing. It
provides power to the RTC domain on the processor and the I/O rail of the TPS65217C.
It can deliver up to 250mA maximum.
6.1.9.2 VDD_3V3A Rail
The VDD_3V3A rail is supplied by the TPS65217C and provides the 3.3V for the
processor rails and can provide up to 400mA.

Table of Contents