EasyManua.ls Logo

BenQ MP611 - Page 145

BenQ MP611
168 pages
Print Icon
To Next Page IconTo Next Page
To Next Page IconTo Next Page
To Previous Page IconTo Previous Page
To Previous Page IconTo Previous Page
Loading...
145
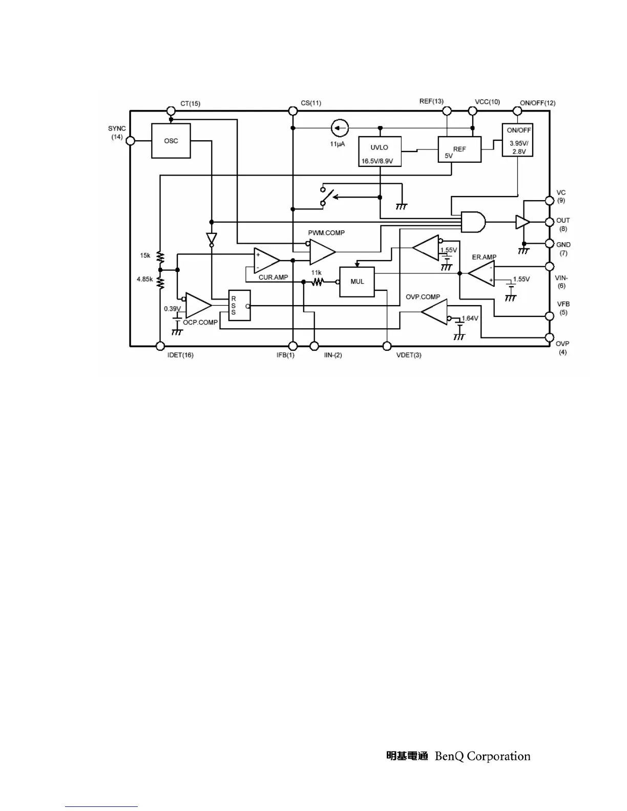
FA5502 Block Diagram:
Description:
The FA5502 is a control IC for a power factor correction system. This IC use the average current control system
to en sure stable operation. With this system , a power factor of 99 or better can be achieved.
Pin assignment:
1. IFB: current error amplifier outputoutput of current error amplifier to connect compensation network
2. IIN: Inverting input to current error amplifier(Inverting input to current error amplifier to connect
compensation network)
3. VDET: Multiplier input (input of multiplier to detect sinusoidal waveform)
4. OVP: overvoltage protection inpution(overvoltage protection circuit)
5. VFB: voltage error amplifier output(Its connect compensation network)
6. VIN: Inverting input to voltage erroramplifier(It’s detect PFC output voltage)
7. GND: Ground
8. OUT: output(output for direct driving a power MOSFET)
9. VC: power supply to output circuit
10. VCC: power supply to IC
11. CS: soft-start(connect capacitor for soft-start)
12. ON/OFF: output on off control input(IC output on off control circuit)
13. REF: reference voltage

Table of Contents

Related product manuals