EasyManua.ls Logo

BRP EVINRUDE E-TEC 225 - Page 409

BRP EVINRUDE E-TEC 225
416 pages
Print Icon
To Next Page IconTo Next Page
To Next Page IconTo Next Page
To Previous Page IconTo Previous Page
To Previous Page IconTo Previous Page
Loading...
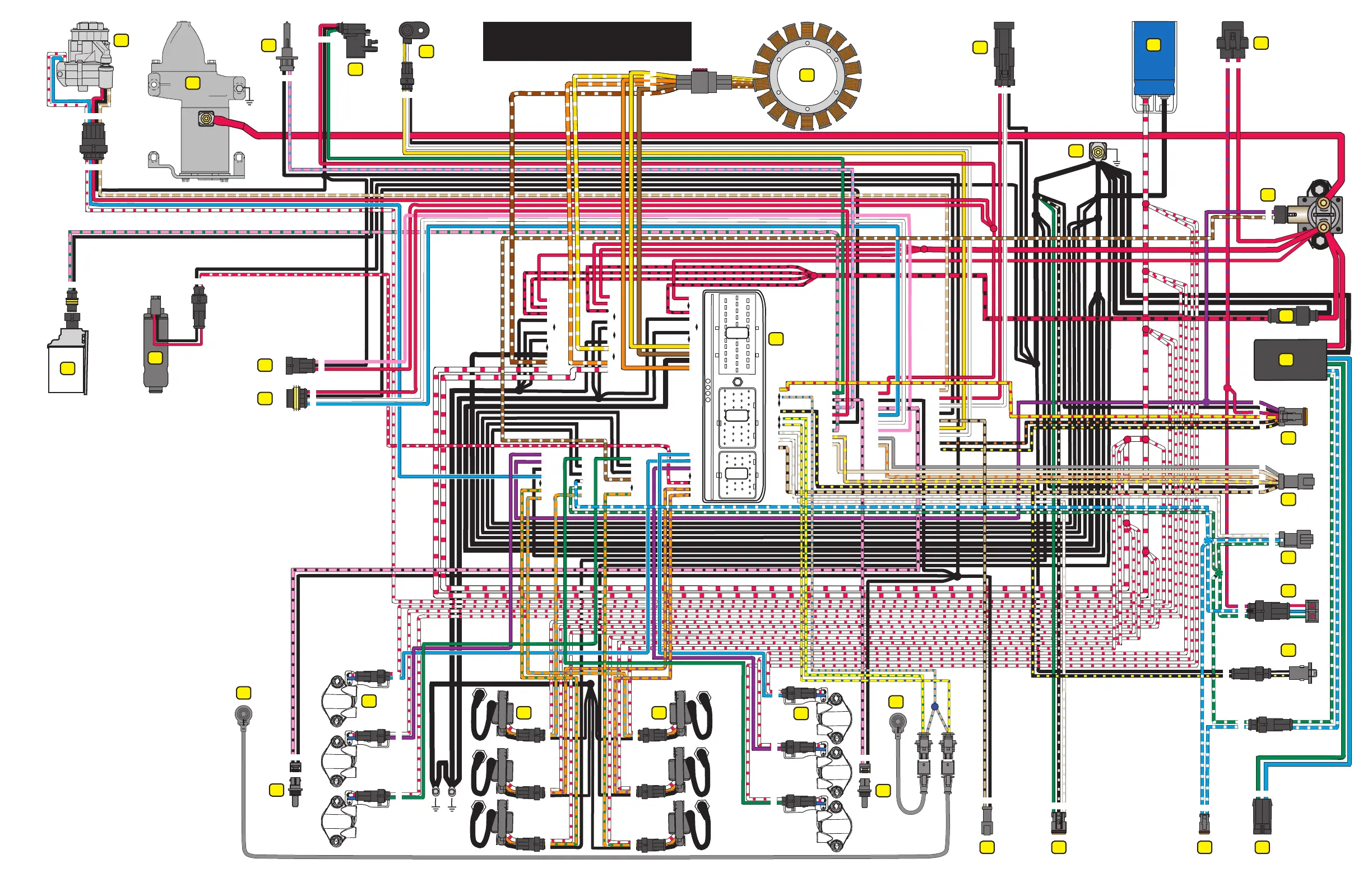
1. Oil Injector
2. Electric Starter
3. Air Temperature Sensor
4. Throttle Position Sensor
5. Crankshaft Position Sensor
6. Stator
7. Diagnostic Connector
8. Main Harness Ground
9. Capacitor
10. Fuse (10 Amp)
11. Water-in-Fuel Sensor
12. High Pressure Fuel Pump
13. Water Pressure Sensor (CANbus)
14. CANbus Connector
15. EMM
16. Starter Solenoid
17. Accessory Charge Connector
18. Trim/Tilt Relay Module
19. Key Switch
20. SystemCheck Connector
21. Trim/Tilt Connector
22. Trim/Tilt Switch
23. Shift Switch
24. Temperature Sensor (2)
25. Knock Sensor
26. Fuel Injector (6)
27. Ignition Coil (6)
28. Low Oil Switch
29. Trim Sending Unit
30. Tilt Limit Switch
31. Trim/Tilt Motor
008332
FUSE
18 19 20 21 22 23 24 25
10 11 12 13 14 15 16 17
1
3
5
2
4
6
27
10
20 21 22 23 24 25 26 27 28 29
11 12 13 14 15 16 17 18 19
1 2 3 4 5 6 7 8 9 10
21
19
20
1 2 3 4 5 6 7 8 9
1 2 3 4 5 6 7
14 15 16 17 18 19
8 9 10 11 12 13
+
1
2
31302928
23
22
26
24
3
4
5
6
7
8
9
11
12
13
14
15
16
17
18
24
20 21 22 23 24 25 26
1 2 3 4 5
1 2
2 1
B A
1 2 3 4
3 2 1
A B C
1 2 3
C A B
B A
A B
1
C B A
3 2 1
1 2
2 1
C B A
2 1
A B
A B
1 2
1 2
1 2
1 2
1 2
1 2
1 2
B A
2
3
65
4
1 2
3
6 5
4
1 2 3
4 5 6
1 2 3 4 5
J2
J1-B
J1-A
26 27 28 29 30 31 32 33 34
3.3 L V6 / 200-250HP E-TEC
1
3
5
2
4
6
27
26
3 2 1
3 2 1
3 2 1 3 2 1
3 2 1 3 2 1
25
25

Table of Contents

Related product manuals