EasyManua.ls Logo

BRP Johnson 4HP - Wiring Diagram

BRP Johnson 4HP
185 pages
Print Icon
To Next Page IconTo Next Page
To Next Page IconTo Next Page
To Previous Page IconTo Previous Page
To Previous Page IconTo Previous Page
Loading...
9-5
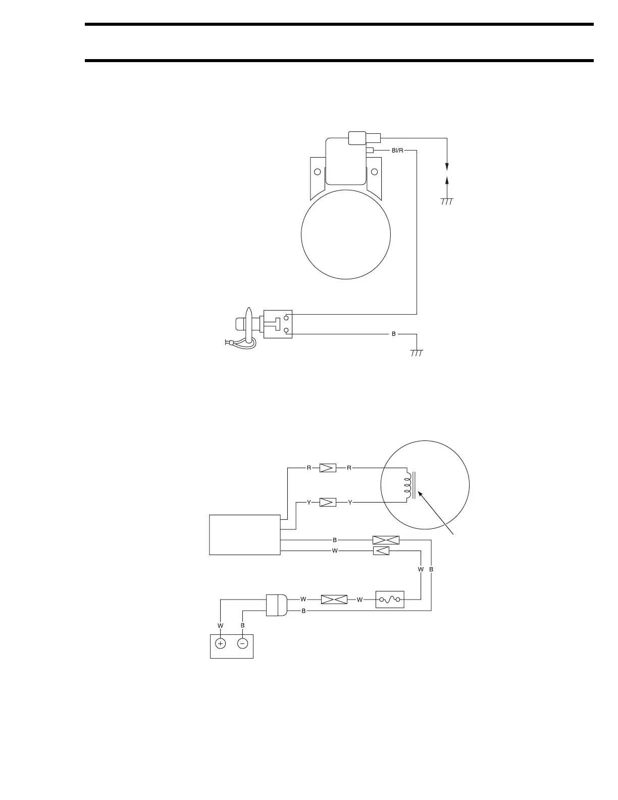
WIRE / HOSE ROUTING
WIRING DIAGRAM
WIRING DIAGRAM
NOTE:
If installing the optional battery charge coil, the rectifier and regulator and related items, replace the orig-
inal flywheel with the optional flywheel.
CDI AND COIL UNIT
SPARK PLUG
FLYWHEEL
MAGNETO
Wire color
B: Black
B/R: Blue/Red
EMERGENCY STOP AND ENGINE STOP SWITCH
Emergency stop switch: Lock plate IN = RUN
Lock plate OUT = STOP
Emergency stop switch: Button pushed = STOP
(Optional parts)
FLYWHEEL MAGNETO
BATTERY CHARGE COIL
RECTIFIER AND
REGULATOR
BATTERY
Wire color
R: Red
Y: Yellow
B: Black
W: White
20A FUSE

Table of Contents

Related product manuals