EasyManua.ls Logo

Calorex PPT12 - Page 43

Calorex PPT12
119 pages
Print Icon
To Next Page IconTo Next Page
To Next Page IconTo Next Page
To Previous Page IconTo Previous Page
To Previous Page IconTo Previous Page
Loading...
Technical Manual
PPT8/12/16/22LX/LY SLIMLINE
Page 40
SD638160 ISSUE 22d
®
Calorex Heat Pumps Ltd. · The Causeway, Maldon, Essex CM9 4XD, UK
O 0.5
B 0.5
W 0.5
REMOTE
ON/OFF
10
11
EARTH BLOCK
G/Y 4.0
G/Y 4.0
G/Y 4.0
G/Y 4.0
G/Y 4.0
G/Y 2.5
G/Y 4.0
G/Y 4.0
G/Y 0.75
EARTH
SUPPLY IN
BASE PLATE
G/Y 4.0
G/Y 4.0
G/Y 4.0
G/Y 4.0
G/Y 4.0
G/Y 4.0
CABINET PANELS
EARTH LOOM
BR 0.5 BR 0.5 BR 0.5
B 0.5
INTERLOCK
COMPRESSOR
C
S
R
V 0.5
BR 2.5
P 2.5
B 2.5
G/Y 2.5
WIRE COLOUR CODE
R RED
B BLUE
BL BLACK
BR BROWN
P PINK
W WHITE
V VIOLET
GR GREY
R/BL RED/BLACK
R/W RED/W HITE
R/O RED/ORANGE
GR/B GREY/BLUE
W/BL WHITE/BLACK
G/Y GREEN/YELLOW
MODEL
FUSE RATINGS
ELECTRIC BOX OUTLINE
NOTES
1 2 3
4 5
6 7 8 9
10
11
12
SENSOR
DIGITAL POOL STAT
GR/B 0.5
BR 6.0
INCOMING
SUPPLY
1 3 5
A1 A2
CONTACTOR
& O/LOAD
2 4 6
B 2.5
N L 5 6 7 8
B 0.5
WATER FLOW
SWITCH
RELAY/HARD START
CAPACITOR SD073150
RUN CAPACITOR
B 2.5
B 6.0
9
10
B 6.0
13
14
BR 6.0
NO
W 0.5
FLYING
LEAD
FUSE
0.5 = 0.5mm CONDUCTOR SIZE
1.0 = 1.0mm CONDUCTOR SIZE
ETC.
2
2
PPT16
3A
HP SWITCH
H
C
V 0.5
W/BL 0.5
C L
LP SWITCH
BR 6.0
BR 0.5
BR 2.5
R/O 0.5
W 0.5
VOLT FREE
POOL PUMP
RUN MAX 3A
R/G 0.5
O/BL 0.5
P 2.5
O ORANGE
R/G RED/GREEN
O/BL ORANGE/BLACK
R/B RED/BLUE
R/BR RED/BROWN
2 4 6
95
96
NC
V 0.5
GR/B 0.5
MODEL
OVERLOAD SETTING
PPT16
19.0A
B 2.5
R 6.0
R 6.0
SOFT START KIT
(IF FITTED)
LOOM
13
14
15 16 17
18
19
20
21
22
23
24
O 0.5
R/BL 0.5
P 0.5
GR 0.5
BR 0.5
B 0.5
11 12 13 14 15 16 17 18 19
SENSOR
DEFROSTW ATER TEMP
3A
R/O 0.5
W/BL 0.5
B 0.5
R/G 0.5
GR/B 0.5
GR/B 0.5
GR/B 0.5
GR/B 0.5
B 0.5
B 0.5
B 0.5
R/BL 0.5
O/BL 0.5
P 0.5
GR 0.5
R/W 0.5
W 0.5
R/W 0.5
1
4
REMOTE ON/OFF
INTERLOCK
1514
(WATER TEMP)
2
9
N/C
21
20
19
18
13
14
17
15
16
23
(L)
(DEFROST)
SENSOR
N/O
N/O
N/C
COM
COM
COM
COM
N/O
OUT2
OUT4
N/O
POOL STAT
10
12
OUT3
OUT1
LIVE
NEUTRAL
12
13
COMPRESSOR
R
S
C
RUN CAP
START CAP
SOFT
START
IF
FITTED
SOFT START
THERMAL
OVERLOAD
& FAULT
LIGHT
RELAY/HARD
IF FITTED
HP SWITCH
LP SWITCH
BREAKS ON
PRESSURE
FALLING
BREAKS ON
PRESSURE
RISING
C
L
C
H
(N/C)
(N/C)
SENSOR
FLOW SWITCH
A1
A2
FAN
VOLT FREE
POOL PUMP RUN
MAX 3Amps
19 18
COMPRESSOR
O/LOAD ALARM
95
96
O/LOAD
4
2
6
CONTACTOR
3
1
4
2
(N/O)
(N/O)
5 6
(N/O)
3A
CONTROL FUSE
24
(N)
3
22
DIGITAL INPUTS
di1
di2
di4
di3
com
97
98
BL 0.5
GR/B 0.5
BL 0.5
NO
GR/B 0.5
97 98
(N/O)
COMPRESSOR
O/LOAD ALARM
11
SUPPLY
B 0.75BR 0.75
INTERFACE BLOCK
SOFT START INTERLOCK
W 0.5
W 0.5
W 0,5
W 0,5
BR 2.5
P 2.5
B 2.5
'X' VERSIONS ADDED, REV.VALVE LOOM ADDED ON 'Y' VERSIONS
NEW TERMINAL BLOCK ADDED, BROWN MAINS LEAD FROM COMPRESSOR WAS RED
BR 2.5
B 2.5
P 2.5
SOLENOID/REVERSING VALVE
FLEX
CABLE
SOLENOID VALVE
('X' VERSION)
10 11
B 0.75BR 0.75
G/Y 0.75
FLEX
CABLE
FAN (ZIEHL-ABEGG)
G/Y
0.75
BR 0.75
B 0.75
TB TB U1 U2 Z1 Z2
R 1.5
LINK TO BE
ADDED TO
FAN T/B
BR 0,75
B 0,75
LOOM ASSY
REVERSING VALVE
('Y' VERSION)
BL 1,5BL 1,5
G/Y 0.75
PPT16ALX/ALY
LABEL P639453 ISSUE 6
1 / PJ 08/12/10
NTS
WIRING DIAGRAM
1
D639452
D639452
1 PRODUCTION ISSUE
04/01/11
BR 6.0
2 16/08/11PJ1649
SOLENOID VALVE AND REVERSING VALVE OPTIONS NOW ANNOTATED AS
'(IF FITTED)'
3 04/11/11
PJ1658
SOLENOID VALVE WIRING NOW 0.75mm CABLE, WAS FLYING LEAD & LOOM4 13/04/12
PJ1844
REVERSING VALVE LOOM ASSY WAS FLYING LEADS + SEPARATE LOOM5 10/07/12
PJ1859
FAN CHANGED TO ZIEHL-ABEGG, FAN CAP REMOVED, PPT22 M/C REMOVED,
PPT16 O/LOAD SETTING WAS 19.9A
17/09/12PJ19406
ISS C/N APPD DATE
R
c
U.C.C.
CALOREX HEAT PUMPS LTD
MATERIAL
FINISH
TOLERANCE UNLESS SPECIFIED
HOLES TO BS 4500 E12
INSPECTION LEVEL DIMS
SHT No. CONT' DRAWN
ALL SHARP EDGES AND BURRS TO BE REMOVED
DRG No.
APPROVED DATE SCALE
DO NOT SCALE PRINT
3rd ANGLE PROJECTION
IF IN DOUBT ASK
TITLE
DRG No.
DRAWING CHANGE
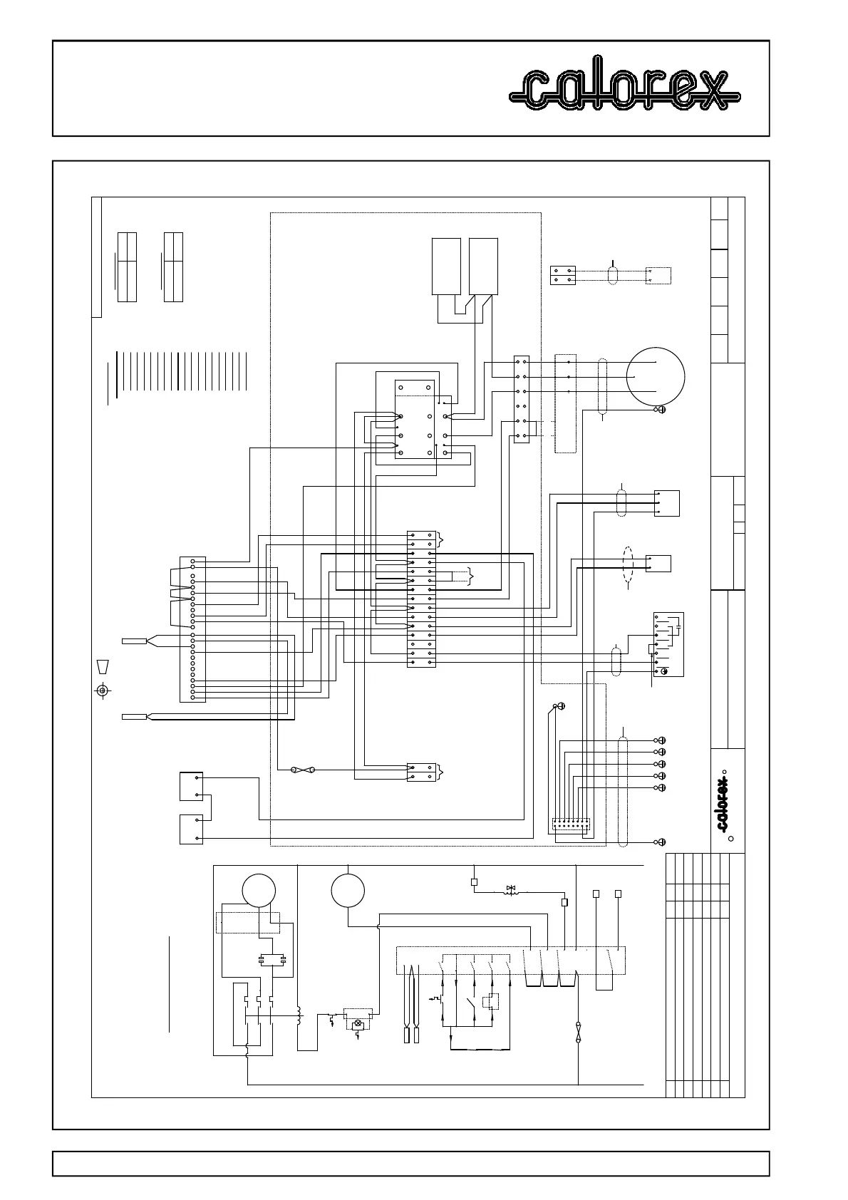
ELECTRICAL CIRCUIT DIAGRAM

Table of Contents

Other manuals for Calorex PPT12

Related product manuals