EasyManua.ls Logo

Calorex PPT12 - 16 Wiring Diagrams

Calorex PPT12
119 pages
Print Icon
To Next Page IconTo Next Page
To Next Page IconTo Next Page
To Previous Page IconTo Previous Page
To Previous Page IconTo Previous Page
Loading...
Page 39
Calorex Heat Pumps Ltd. · The Causeway, Maldon, Essex CM9 4XD, UK
Technical Manual
PPT8/12/16/22LX/LY SLIMLINE
SD638160 ISSUE 22d
®
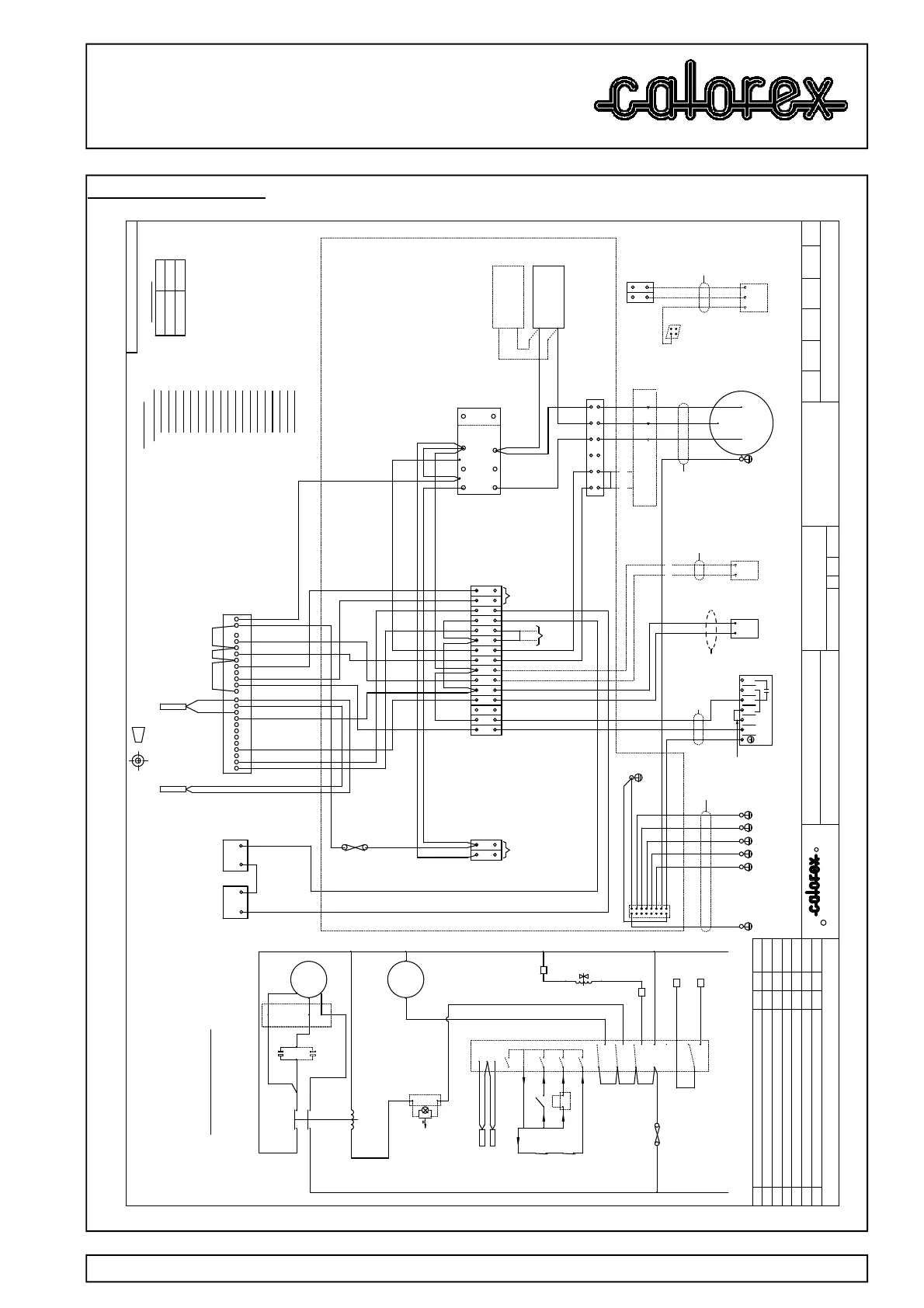
16.0 Wiring Diagrams
O 0.5
W
0.5
11
EARTH BLOCK
G/Y 2.5
G/Y 2.5
G/Y 2.5
G/Y 2.5
G/Y 2.5
G/Y 2.5
G/Y 2.5
G/Y 2.5
G/Y 0.75
EARTH
SUPPLY IN
BASE PLATE
G/Y 2.5
G/Y 2.5
G/Y 2.5
G/Y 2.5
G/Y 2.5
G/Y 2.5
CABINET PANELS
EARTH LOOM
10
21
20
19
18
13
14
17
15
16
23
(L)
N/O
N/O
N/C
COM
COM
COM
COM
N/O
OUT2
OUT4
N/O
OUT3
OUT1
VOLT FREE
POOL PUMP RUN
MAX 3Amps
19 18
3A
CONTROL FUSE
24
(N)
22
SUPPLY
BL 1,5BL 1,5
COMPRESSOR
C
S
R
V 0.5
BR 2.5
P 2.5
B 2.5
G/Y 2.5
WIRE COLOUR CODE
R RED
B BLUE
BL BLACK
BR BROWN
P PINK
W WHITE
V VIOLET
GR GREY
R/BL RED/BLACK
R/W RED/WHITE
R/O RED/ORANGE
GR/B GREY/BLUE
W/BL W HITE/BLACK
G/Y GREEN/YELLOW
MODEL
FUSE RATINGS
ELECTRIC BOX OUTLINE
NOTES
1 2 3
4 5
6 7 8 9
10
11
12
SENSOR
DIGITAL POOL STAT
GR/B 0.5
BR 2.5
INCOMING
SUPPLY
1 3
A1 A2
CONTACTOR
& O/LOAD
N L 5 6 7 8
WATER FLOW
SWITCH
RELAY/HARD START
CAPACITOR SD073150
(IF FITTED)
RUN CAPACITOR
B 2.5
9
10
B 2.5
13
14
NO
R/W
0.5
FLYING
LEADS
FUSE
0.5 = 0.5mm CONDUCTOR SIZE
1.0 = 1.0mm CONDUCTOR SIZE
ETC.
2
2
PPT8
PPT12
3A
3A
HP SWITCH
H C
V 0.5
W/BL 0.5
C L
LP SWITCH
BR 2.5
BR 0.5
BR 2.5
R/O 0.5
W 0.5
VOLT FREE
POOL PUMP
RUN MAX 3A
R/G 0.5
O/BL 0.5
P 2.5
O ORANGE
R/G RED/GREEN
O/BL ORANGE/BLACK
R/B RED/BLUE
R/BR RED/BROW N
2 4 6
V 0.5
GR/B 0.5
B 2.5
BR 2.5
LOOM
13
14
15 16 17
18
19
20
21
22
23
24
O 0.5
R/BL 0.5
P 0.5
GR 0.5
BR 0.5
B 0.5
11 12 13 14 15 16 17 18 19
SENSOR
DEFROSTWATER TEMP
3A
R/O 0.5
W/BL 0.5
B 0.5
R/G 0.5
GR/B 0.5
GR/B 0.5
GR/B 0.5
GR/B 0.5
B 0.5
B 0.5
B 0.5
R/BL 0.5
O/BL 0.5
P 0.5
GR 0.5
R/W 0.5
REVERSING
VALVE
(IF FITTED)
1
4
(WATER TEMP)
2
9
(DEFROST)
SENSOR
POOL STAT
10
12
LIVE
NEUTRAL
12
13
COMPRESSOR
C
S
R
RUN CAP
START CAP
SOFT
START
IF
FITTED
SOFT START
THERMAL
OVERLOAD
& FAULT
LIGHT
RELAY/HARD
IF FITTED
HP SWITCH
LP SWITCH
BREAKS ON
PRESSURE
FALLING
BREAKS ON
PRESSURE
RISING
C
L
C
H
(N/C)
(N/C)
SENSOR
A1
A2
IF FITTED
FAN
2
6
CONTACTOR
5
(N/O)
(N/O)
1
11
3
DIGITAL INPUTS
di1
di2
di4
di3
com
BR 0.5 BR 0.5 BR 0.5
B 0.5
5
B 0.5
B 2.5
B 0.5
BR 2.5
1 PRODUCTION ISSUE 04/01/11
FLEX
CABLE
SOLENOID VALVE
(IF FITTED)
10 11
B 0.75BR 0.75
G/Y 0.75
EARTH
BLOCK
B 0.75BR 0.75
G/Y 0.75
SOFT START KIT
(IF FITTED)
INTERFACE BLOCK
SOFT START INTERLOCK
W 0.5
W 0.5
BR 2.5
P 2.5
B 2.5
REMOTE
ON/OFF
INTERLOCK
LOOM ASSY
BL 1,5BL 1,5
W
0,5
W
0,5
SOLENOID/REVERSING VALVE
B 2.5
BR 2.5
B 2.5
P 2.5
REMOTE ON/OFF
INTERLOCK
1514
FLOW SWITCH
FLEX
CABLE
FAN (ZIEHL-ABEGG)
G/Y 0.75
BR 0.75
B 0.75
TB TB U1 U2 Z1 Z2
R 1.5
LINK TO BE
ADDED TO
FAN T/B
BR 0,75
B 0,75
PPT8ALX/ALY PPT12ALX/ALY
LABEL P639451 ISSUE 6
1 / PJ 17/12/10
NTS
WIRING DIAGRAM
1
D639450
D639450
2 01/02/11AW629/829AL ADDED PJ
REDRAWN TO MATCH RE-DESIGNED ALX/ALY MACHINE3 08/09/11
PJ1660
SOLENOID VALVE WIRING NOW 0.75mm CABLE, WAS FLYING LEAD & LOOM4 13/04/12
PJ1844
REVERSING VALVE LOOM ASSY WAS FLYING LEADS + SEPARATE LOOM5 10/07/12PJ1859
FAN CHANGED TO ZIEHL-ABEGG, CONNS ALTERED, FAN CAP DELETED6 17/09/12
PJ1940
ISS C/N APPD DATE
R
c
U.C.C.
CALOREX HEAT PUMPS LTD
MATERIAL
FINISH
TOLERANCE UNLESS SPECIFIED
HOLES TO BS 4500 E12
INSPECTION LEVEL DIMS
SHT No. CONT' DRAWN
ALL SHARP EDGES AND BURRS TO BE REMOVED
DRG No.
APPROVED DATE SCALE
DO NOT SCALE PRINT
3rd ANGLE PROJECTION
IF IN DOUBT ASK
TITLE
DRG No.
DRAWING CHANGE
ELECTRICAL CIRCUIT DIAGRAM

Table of Contents

Other manuals for Calorex PPT12

Related product manuals