EasyManua.ls Logo

ChemoformGroup CF Control 100 - Electrical Connection Diagram

ChemoformGroup CF Control 100
60 pages
Print Icon
To Next Page IconTo Next Page
To Next Page IconTo Next Page
To Previous Page IconTo Previous Page
To Previous Page IconTo Previous Page
Loading...
Page
58
02/2017
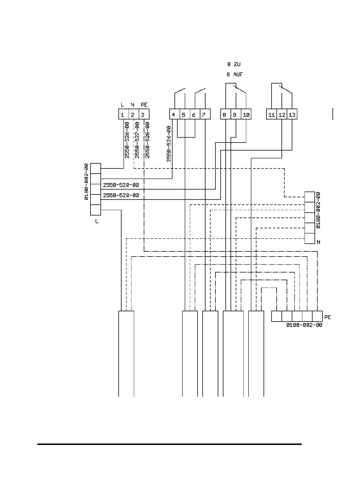
19 Electrical connection diagram
Mains cable 3 x 1.5 mm²
Schuko plug
Dosing pump DES
Do
sing pump pH reduce
Filter pump
3-way valve (for heating
pump; only terminal 9
-
10!)
Wire connector box
Wire connector box
Wire connector box
Relay 1
Relay 3
Relay 2
Relay 4
Connection canister empty signal for
chlorine (optional)
Connection container empty signal for
ph reducing chemical (optional)
Temperature sensor water
Temperature sensor solar

Table of Contents