EasyManua.ls Logo

CUMMINS QST30 - Page 162

CUMMINS QST30
183 pages
Print Icon
To Next Page IconTo Next Page
To Next Page IconTo Next Page
To Previous Page IconTo Previous Page
To Previous Page IconTo Previous Page
Loading...
A-8
Copyright 2017 Cummins Inc.
No. s
h of
Rev. S
ys:
Modified
NO. 300-4819 sht 1 of 4
REV. A
MODIFIED 11/29/95
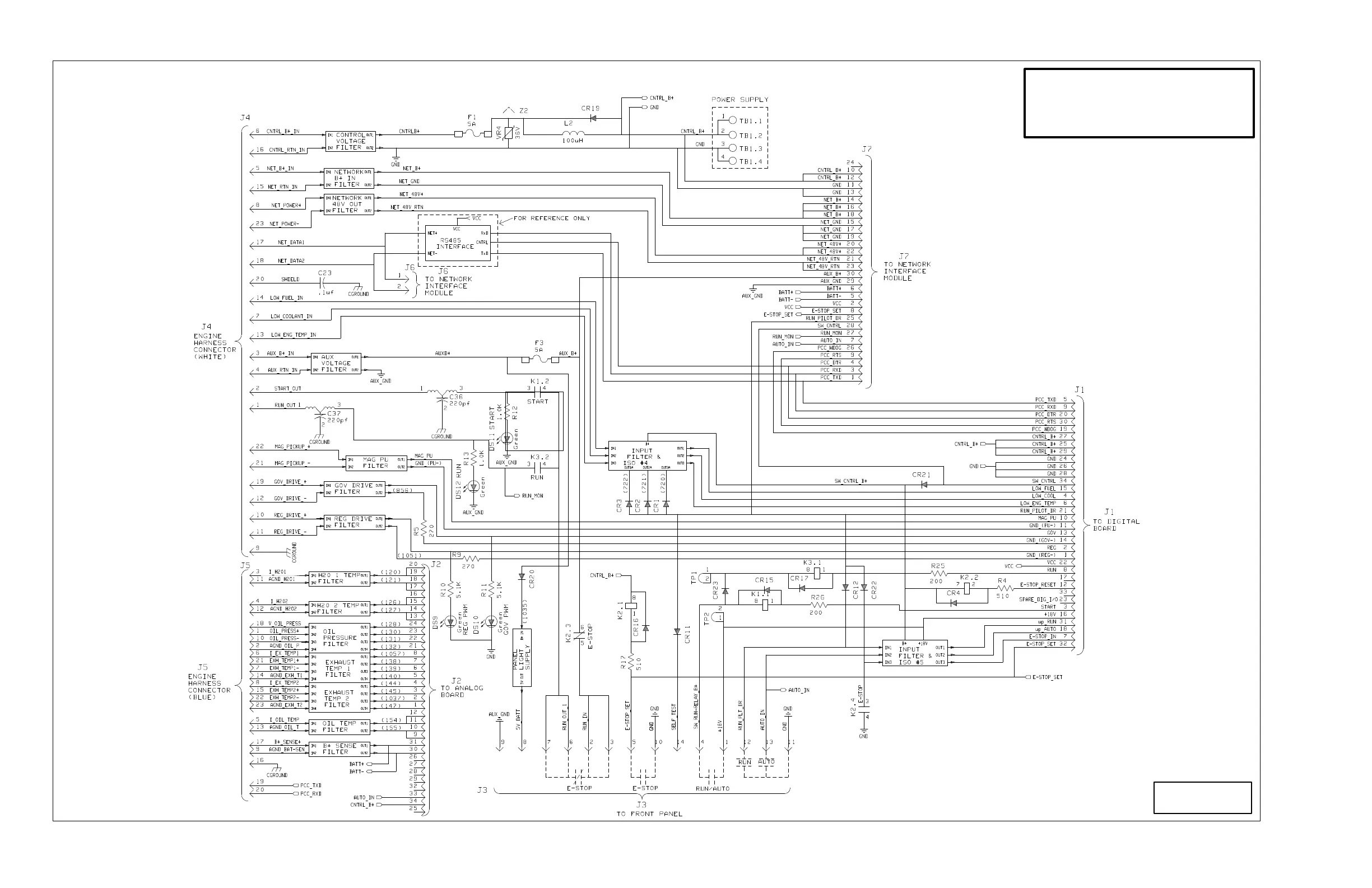
THIS IS A REPRESENTATIVE (GENERIC)
SCHEMATIC/WIRING DIAGRAM. FOR
TROUBLESHOOTING, REFER TO THE
WIRING DIAGRAM PACKAGE THAT WAS
INCLUDED WITH YOUR GENSET.

Table of Contents

Related product manuals