EasyManua.ls Logo

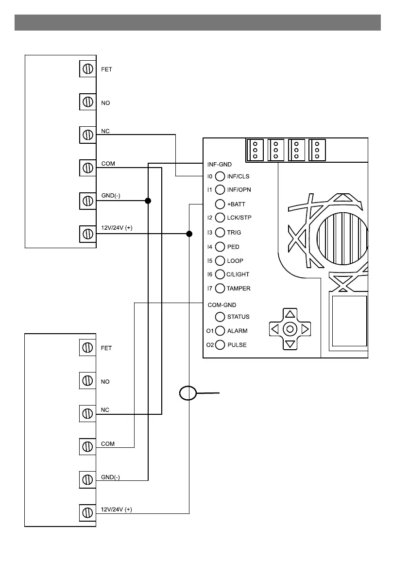
DACE RT25/50 - Two Sets of Safety Beams (Relay Output)

DACE RT25/50
52 pages
Print Icon
To Next Page IconTo Next Page
To Next Page IconTo Next Page
To Previous Page IconTo Previous Page
To Previous Page IconTo Previous Page
Loading...
20
RECEIVER SAFETY BEAM (B)
RECEIVER SAFETY BEAM (A)
MAX. LOAD
300mA
TWO SETS OF SAFETY BEAMS (RELAY OUTPUT)

Table of Contents

Related product manuals