EasyManua.ls Logo

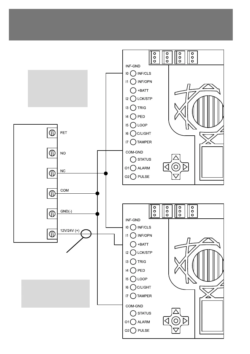
DACE RT25/50 - Two Synchronised Operators Connected to One Set of Safety Beams

DACE RT25/50
52 pages
Print Icon
To Next Page IconTo Next Page
To Next Page IconTo Next Page
To Previous Page IconTo Previous Page
To Previous Page IconTo Previous Page
Loading...
28
MAX. LOAD
300mA
WARNING!!!
ONLY CONNECT BEAMS
RECEIVER GND TO TRITEK
COM-GND
RECEIVER SAFETY BEAM (A)
WARNING!!!
ONLY CONNECT +BATT
TO ONE MOTOR AS
SHOWN
OPERATOR CONTROL BOARD NO. 1
OPERATOR CONTROL BOARD NO. 2
TWO SYNCHRONISED OPERATORS CONNECTED TO ONE SET OF
SAFETY BEAMS (USING BEAM RELAY OUTPUT)

Table of Contents

Related product manuals