EasyManua.ls Logo

Daher TBM 930 - Page 533

Daher TBM 930
877 pages
Print Icon
To Next Page IconTo Next Page
To Next Page IconTo Next Page
To Previous Page IconTo Previous Page
To Previous Page IconTo Previous Page
Loading...
Pilot's Operating Handbook
Section 7
Description
Edition 1 - January 15, 2018
Rev. 0
Page 7.4.3
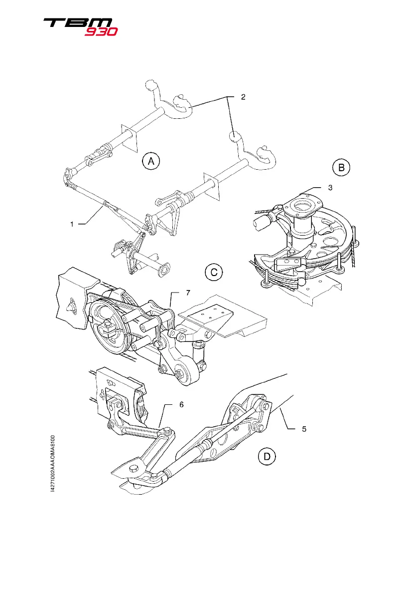
Figure 7.4.1 (2/2) - Roll
PIM - DO NOT USE FOR FLIGHT OPERATIONS

Table of Contents

Related product manuals