EasyManua.ls Logo

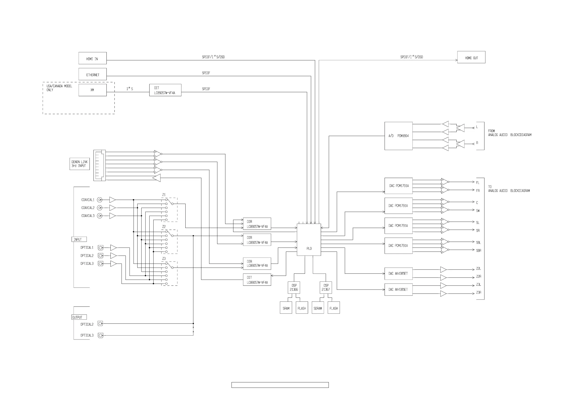
Denon AVR-3808CI - Digital Audio Block Diagram

Denon AVR-3808CI
215 pages
Print Icon
To Next Page IconTo Next Page
To Next Page IconTo Next Page
To Previous Page IconTo Previous Page
To Previous Page IconTo Previous Page
Loading...
56
AVR-3808CI / AVR-3808 / AVC-3808
BLOCK DIAGRAMS (2/3)
DIGITAL AUDIO BLOCK DIAGRAM

Table of Contents

Other manuals for Denon AVR-3808CI

Related product manuals