EasyManua.ls Logo

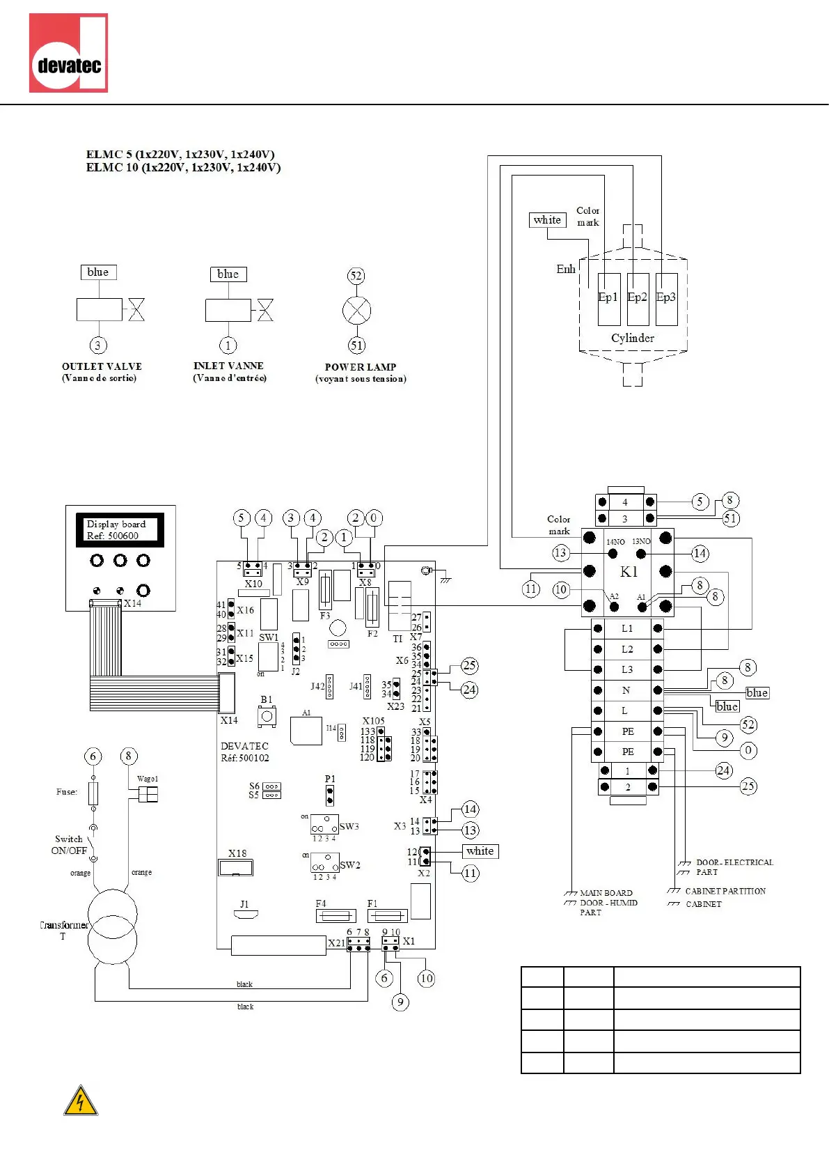
Devatec ELECTROVAP MC2 - Installation - Step 6: Single-Phase Wiring; ELMC 5 and ELMC 10 Single-Phase Wiring

Default Icon
60 pages
Print Icon
To Next Page IconTo Next Page
To Next Page IconTo Next Page
To Previous Page IconTo Previous Page
To Previous Page IconTo Previous Page
Loading...
29 Pictures for illustrating purposes only
ELECTROVAP MC2 STEAM BATH
Installation - Step 6
ALL WORKS CONCERNED WITH ELECTRICAL INSTALLATION MUST BE CARRIED OUT BY A SKILLED AND QUALIFIED PERSONNEL
Mark Intensity Fuse function
F1 2A
Protection of the power contactor coil
F2 2A
Protection of the inlet valve coil
F3 2A
Protection of the drain valve coil
F4 100mA
Protection of the electronic boards

Table of Contents