EasyManua.ls Logo

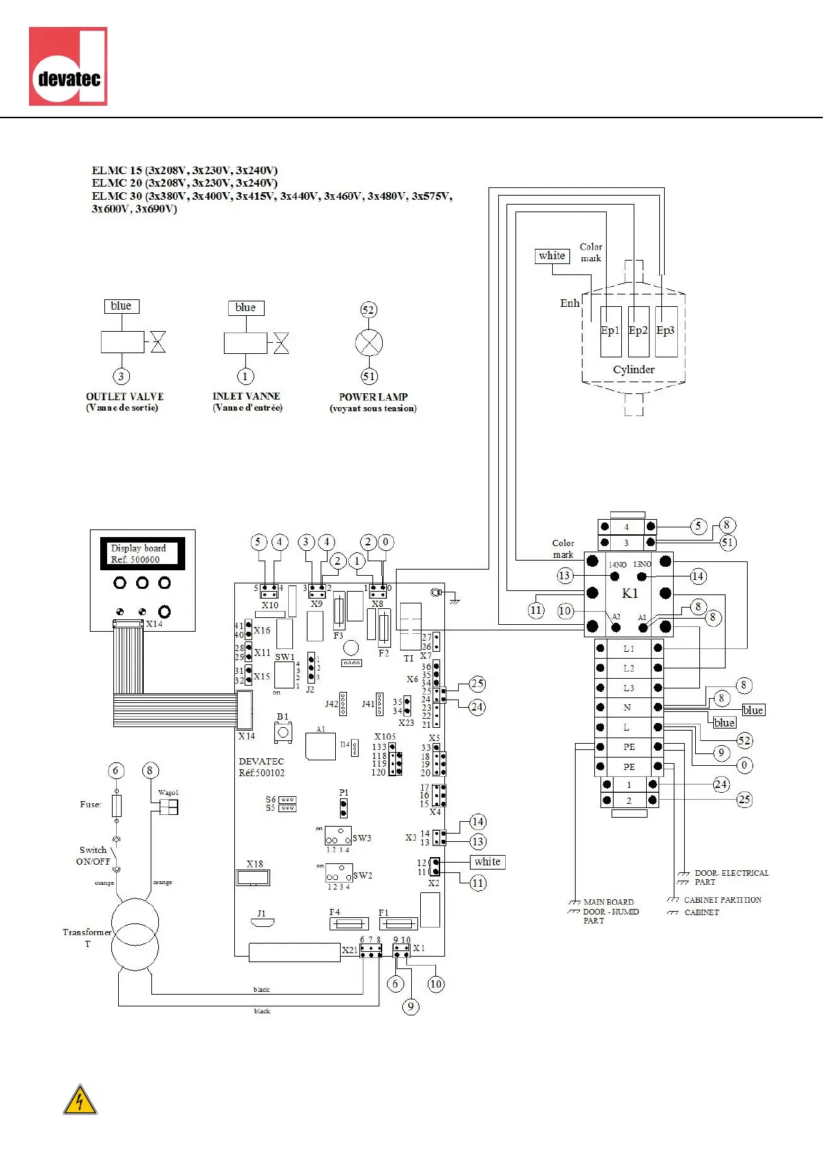
Devatec ELECTROVAP MC2 - Installation - Step 6: 3-Phase Wiring (ELMC 15, 20, 30); ELMC 15, 20, and 30 3-Phase Wiring Diagrams

Default Icon
60 pages
Print Icon
To Next Page IconTo Next Page
To Next Page IconTo Next Page
To Previous Page IconTo Previous Page
To Previous Page IconTo Previous Page
Loading...
31 Pictures for illustrating purposes only
ELECTROVAP MC2 STEAM BATH
Installation - Step 6
ALL WORKS CONCERNED WITH ELECTRICAL INSTALLATION MUST BE CARRIED OUT BY A SKILLED AND QUALIFIED PERSONNEL

Table of Contents