EasyManua.ls Logo

devention DEVO-7 - Stick Adjustment and Usage

devention DEVO-7
171 pages
Print Icon
To Next Page IconTo Next Page
To Next Page IconTo Next Page
To Previous Page IconTo Previous Page
To Previous Page IconTo Previous Page
Loading...
DEVO-7 Page 11 of 170
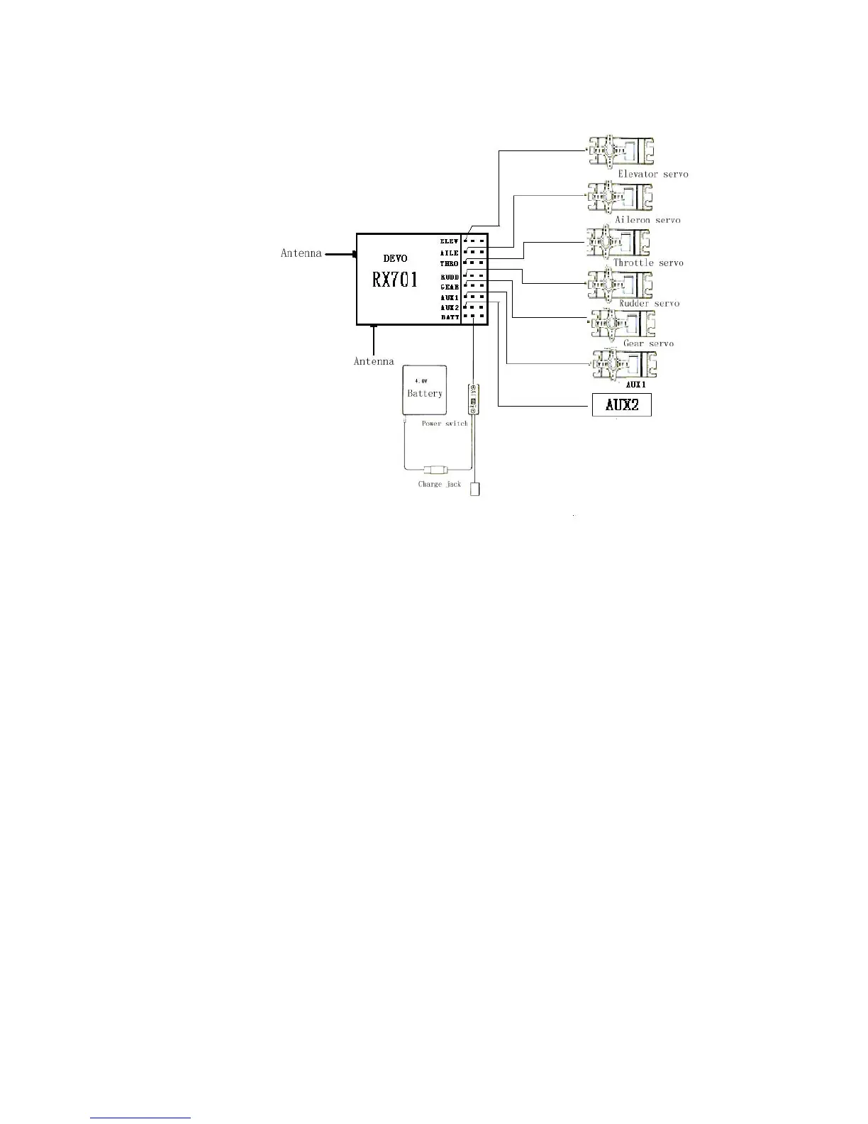
4.3 Wiring Diagram
4.4 Function keys in panel
There are 6 functional keys in the panel of DEVO-7. Below are the details:
EXT Reset key,Press EXT to exit the main menu.
ENT Confirmation key. Press ENT to access the system or the function mode.
·UP Moves cursor up to the forward function item
·DN Moves cursor down to the next Function item
·L Moves cursor down or increases the setting value
·R Moves cursor up or decreases the setting value
5.0 Stick Adjustment
Two parts of stick adjustment: length and tention adjustment.

Table of Contents

Related product manuals