EasyManua.ls Logo

dolycon CT100 Series - EMC Problems in Wiring; General Knowledge of EMC

dolycon CT100 Series
163 pages
Print Icon
To Next Page IconTo Next Page
To Next Page IconTo Next Page
To Previous Page IconTo Previous Page
To Previous Page IconTo Previous Page
Loading...
CT100 series inverters Installation and wiring
44
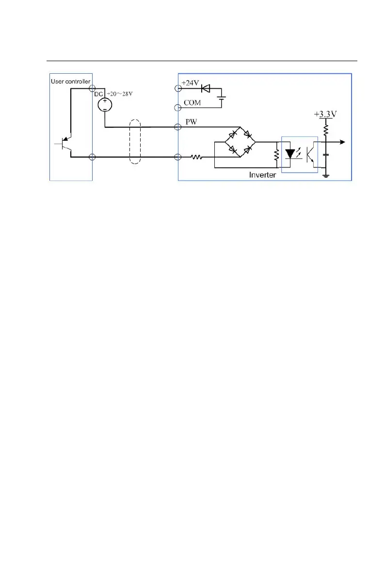
Figure 3-26 Wiring of PNP type source current
Note: Be sure to remove the short-circuit plate between +24V and PW.
3.9 EMC problems in wiring
3.9.1 General knowledge of EMC
EMC is the abbreviation of electromagnetic compatibility, which means the
device or system has the ability to work normally in the electromagnetic
environment and will not generate any electromagnetic interference to other
equipment. EMC includes two subjects: electromagnetic interference and
electromagnetic anti-jamming.
According to the transmission mode, Electromagnetic interference can be
divided into two categories: conducted interference and radiated interference.
Conducted interference is the interference transmitted by conductor. Therefore,
any conductors such as wire, transmission line, inductor and capacitor are the
transmission channels of interference.
Radiated interference is the interference transmitted in electromagnetic waves,
and the energy is inversely proportional to the square of distance.
Three necessary conditions or essentials of electromagnetic interference are:
interference source, transmission channel and sensitive receiver. For customers,
the solution of EMC problem is mainly in transmission channels because the
device as interference source or receiver cannot be changed.
Different electric and electronic devices, because of its various EMC standards
or degrees, have different EMC capacities.
The operating principle of the inverter determines that it can produce certain
electromagnetic interference noise. And the same time the inverter needs to be
designed with certain anti-jamming ability to ensure the smooth working in

Table of Contents

Related product manuals