EasyManua.ls Logo

elco TRIGON L PLUS - Dimensions Headers, Low Loss Headers and Bends

elco TRIGON L PLUS
108 pages
Print Icon
To Next Page IconTo Next Page
To Next Page IconTo Next Page
To Previous Page IconTo Previous Page
To Previous Page IconTo Previous Page
Loading...
25
Installation
Cascade accessories
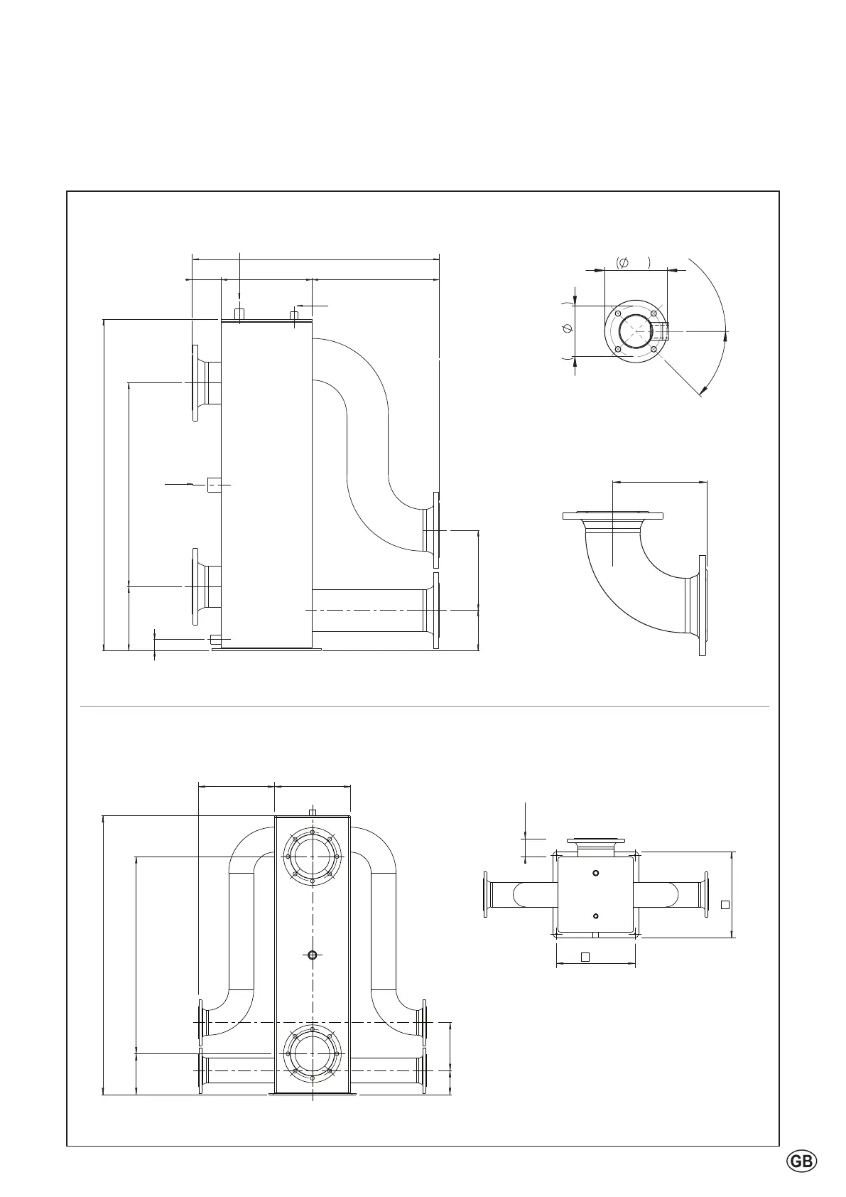
Dimensions headers, low loss headers and bends
Dimensions pipe headers DN100
45° ±0,2° (2x)
BCD 170
120
25080 349
709
910
560175
30
220
110
DN100
DN100
DN100
DN100
G1”
G1/2”
G3/8”
Dimensions low loss header DN100 until 1000kW
DN65: 133
DN100: 197
DN65
DN100
DimensionsbendDN100
85±
3
365
400
Dimensions low loss header DN100 until 1600kW
1280±5
350 x 8349±6
220
110
905(187.5)
DN150
DN100
DN150
DN100
DN100
DN100

Table of Contents

Related product manuals