EasyManua.ls Logo

ENCAD CADJET - Carriage PCB Removal;Installation

Default Icon
164 pages
Print Icon
To Next Page IconTo Next Page
To Next Page IconTo Next Page
To Previous Page IconTo Previous Page
To Previous Page IconTo Previous Page
Loading...
CadJet 3D Service Manual
ASSEMBLY/
DISASSEMBLY
Assembly\Disassembly 5-29
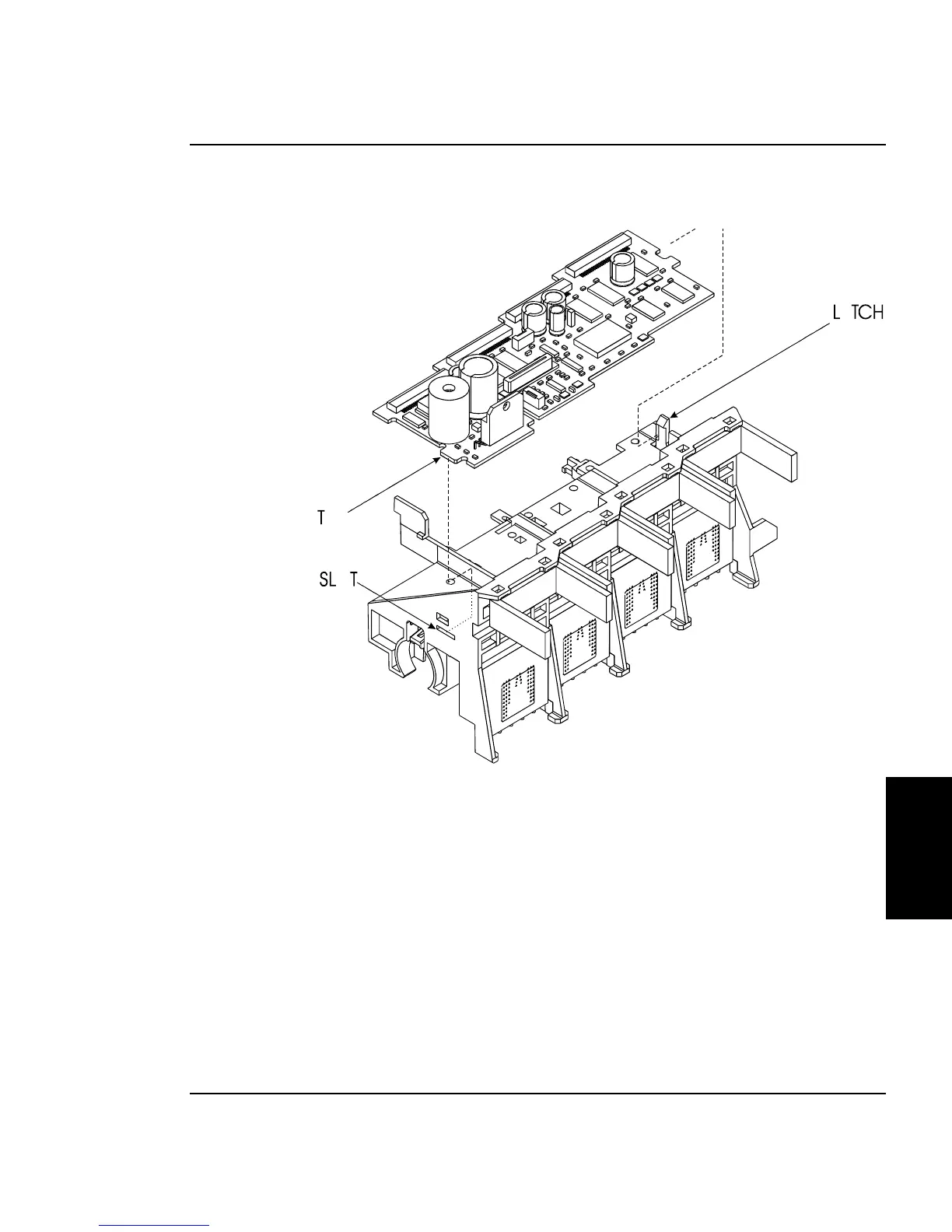
Figure 5-15. Carriage PCB Removal/Installation.
4. Unlock the latch on the right end of the Carriage Assembly and
lift up the right end of the Carriage PCB. See Figure 5-15.
5. Slide the Carriage PCB to the right to remove the tab on the left
end of the Carriage PCB from the slot in the Carriage Assembly.

Table of Contents

Related product manuals