EasyManua.ls Logo

ENCAD CADJET - Gate Array; Microprocessor

Default Icon
164 pages
Print Icon
To Next Page IconTo Next Page
To Next Page IconTo Next Page
To Previous Page IconTo Previous Page
To Previous Page IconTo Previous Page
Loading...
2-6 Theory of Operation
CadJet 3D Service Manual
Microprocessor
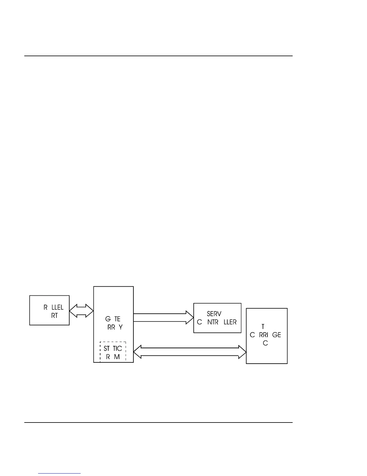
The microprocessor (an IBM PowerPC) is the central processor unit
which supervises system functions, executes the printer firmware,
manipulates data, and controls input/output data busses. It has two
built-in serial ports, a two channel DMA (Direct Memory Access)
controller, a timer module, clock generator, and an on-board chip select
generator. One serial port connects to the Mini-DIN connector which
can be used to communicate with the host computer; the other serial
port interfaces to the Control Panel. One DMA channel supplies data to
the gate array for jet firing; the other DMA channel is used to receive
data through the parallel port via the gate array, or the serial port
when using a high speed serial mode. One timer generates a servo
interrupt every millisecond; the other is used for timing the Stepper
Motor.
A divide-by-two circuit generates the 33MHz system clock from a
66MHz crystal reference (X1).
The chip select generator is programmed to generate chip selects at the
appropriate addresses, with the appropriate data size (byte, word) and
with the appropriate number of wait states.
Gate Array
Figure 2-5. Gate Array.

Table of Contents

Related product manuals