EasyManua.ls Logo

ENCAD CADJET - MPCB Connections Diagram

Default Icon
164 pages
Print Icon
To Next Page IconTo Next Page
To Next Page IconTo Next Page
To Previous Page IconTo Previous Page
To Previous Page IconTo Previous Page
Loading...
3-42 Maintenance
CadJet 3D Service Manual
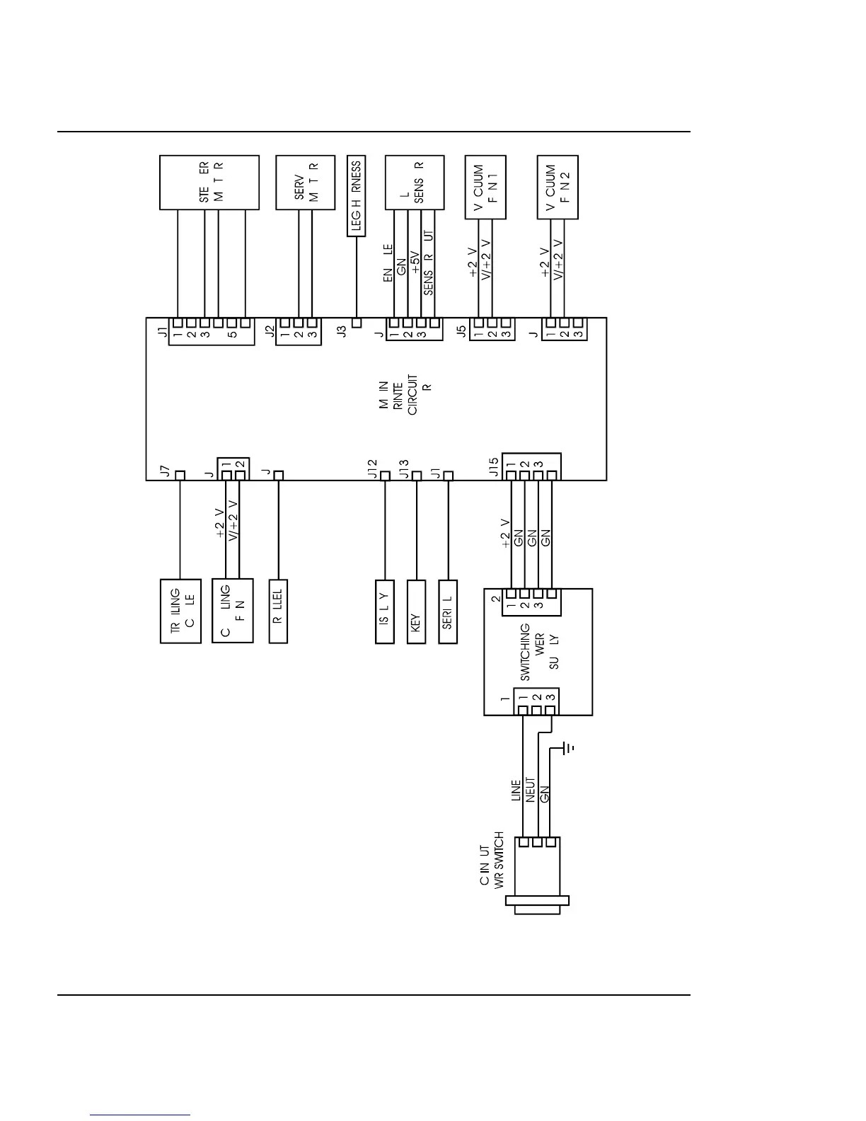
Figure 3-30. MPCB Connections Diagram.

Table of Contents

Related product manuals