EasyManua.ls Logo

Excel KP-200 - Layout of Operator

Excel KP-200
93 pages
Print Icon
To Next Page IconTo Next Page
To Next Page IconTo Next Page
To Previous Page IconTo Previous Page
To Previous Page IconTo Previous Page
Loading...
9
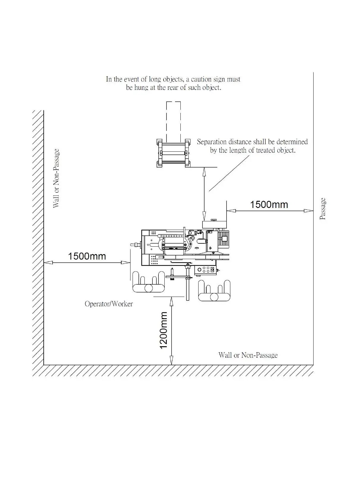
2-3. Layout of Operator
KP-200 Scale: mm

Table of Contents

Related product manuals