EasyManua.ls Logo

Excel KP-200 - Saw Frame Not Rises Rapidly after Sawing Completion

Excel KP-200
93 pages
Print Icon
To Next Page IconTo Next Page
To Next Page IconTo Next Page
To Previous Page IconTo Previous Page
To Previous Page IconTo Previous Page
Loading...
65
13-5. Saw Frame Not Rises Rapidly after Sawing Completion
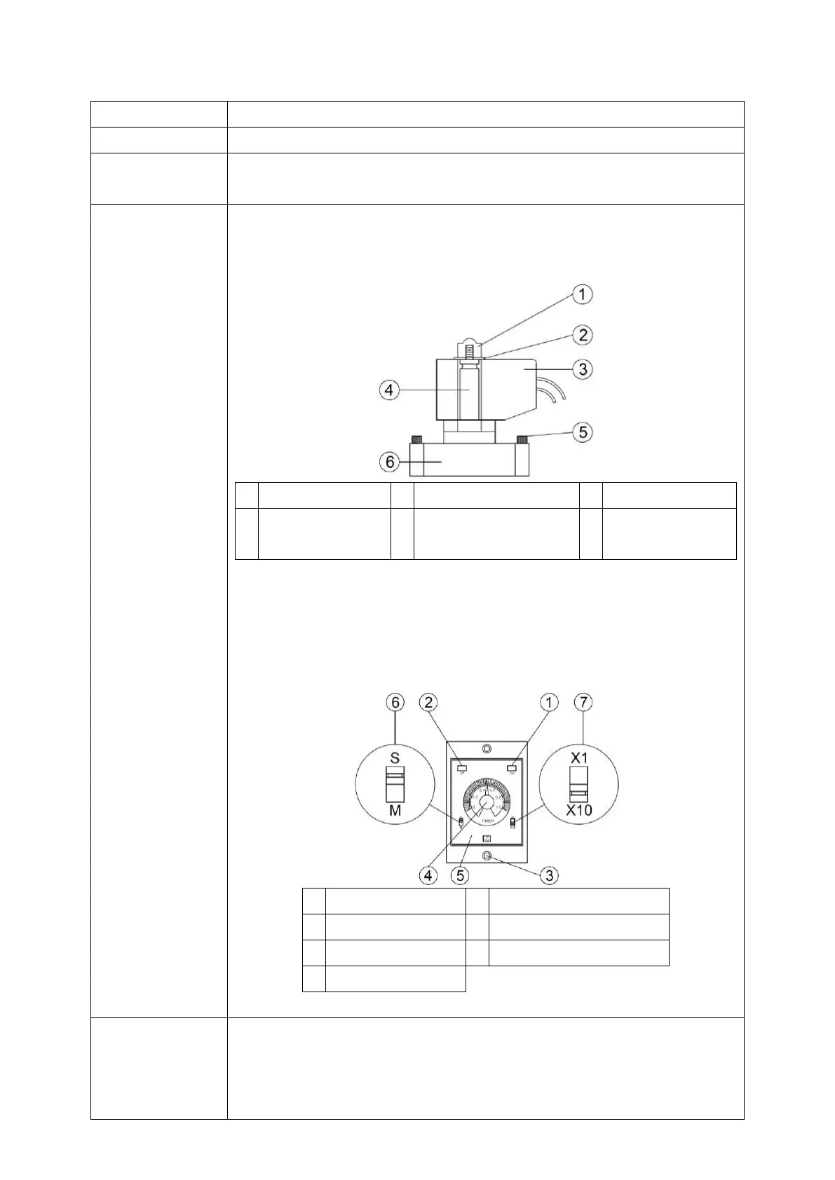
ITEM 5
Malfunction
Saw frame not rises rapidly after sawing completion
Cause
a. Damaged coil inside the magnetic valve
b. Damaged timer
Trouble shooting
a. Check if there is any vibration or magnetic noise while touching the
cylinder coil and pressing STOP UP button on control panel, after
dismantling the right protection cover, as following illustration:
1
Fixing Nut of Coil
2
Washer
3
Coil
4
Axle of Magnetic
Valve
5
Fixing Screw of
Magnetic Valve
6
Base of Magnetic
Valve
Check if bad connection under no vibration, or replace it if necessary, the
voltage of coil must be 24V
b. 1. Check if the
1
PW lamp is lighting
2. Check if the timer scale (second) is meeting the lifting height
3. Check if the
2
UP lamp is lighting, as following illustration:
1
POWER ON Lamp
2
UP Lamp
3
Fixing Nut of Timer
4
Turner of Second
5
Timer Body
6
Turner of Second/Minute
7
Mode *1or *10
While ON or UP not lighting, replace the timer, notice 24V
Remark
1. Repaired by qualified technician
2. Notice the coil voltage
3. Contact local dealer/producer for parts supply if necessary
4. Avoid damp after coil replacement

Table of Contents

Related product manuals