EasyManua.ls Logo

Festo MS6-SV-E - MS6-SV-E with Multi-Pin Plug Socket NECA-S1 G9-P9-MP5

Festo MS6-SV-E
Print Icon
To Next Page IconTo Next Page
To Next Page IconTo Next Page
To Previous Page IconTo Previous Page
To Previous Page IconTo Previous Page
Loading...
MS6-SV-...-E-10V24
Festo MS6-SV-...-E-10V24 1310b English 53
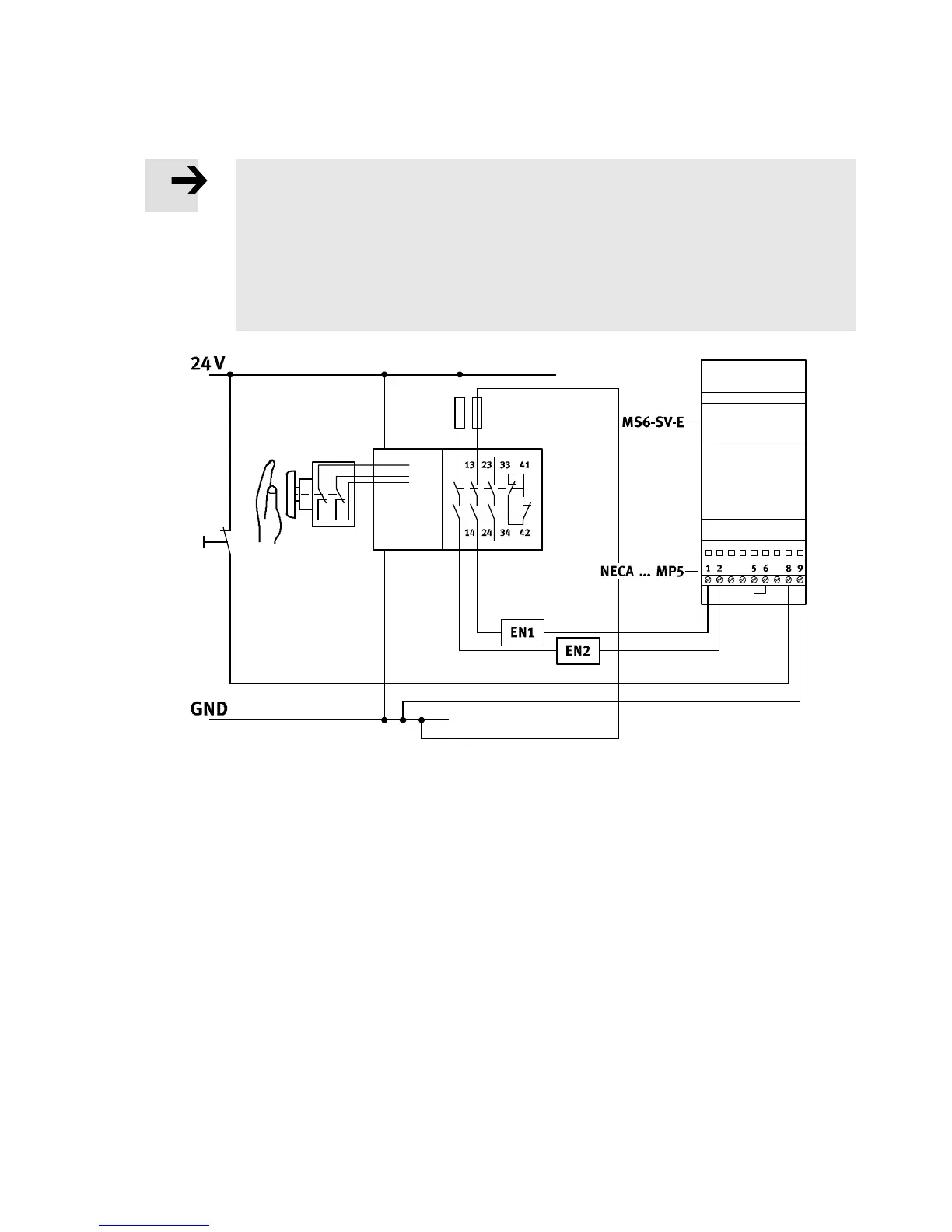
4.3.3 MS6-SV-E with multi-pin plug socket NECA-S1G9-P9-MP5
Note
A c ross c ircuit between the enable signals (EN1/E N2) is not detected and does not
cause an error response. The system can is pressurized only when the enable signals
are applied correctly.
Ensure that the c ross-circuit detection is established and guaranteed by means o f
conforming measures in the peripherals (PLC/safety control) in acc ordance with
valid safety standards.
Fig. 8 Connection with NEC A-...-MP5
Static enable signals with opposite potentials
The time delay of the level change of the enable signals is not monitored
Behaviour on detection of a cross circuit (through upstream safety switching device/PLC):
MS6-SV-E in the exhausted status: remains in the safe status and does not go into malfunction
MS6-SV-E in the pressurized status: goes into the safe status and does not go into malfunction
Enable signal are galvanically separated from the supply voltage

Table of Contents

Related product manuals