EasyManua.ls Logo

Fire-Lite MS-9050UD - Page 32

Fire-Lite MS-9050UD
220 pages
Print Icon
To Next Page IconTo Next Page
To Next Page IconTo Next Page
To Previous Page IconTo Previous Page
To Previous Page IconTo Previous Page
Loading...
32 MS-9050 Series Manual — P/N 52413:F 10/22/2010
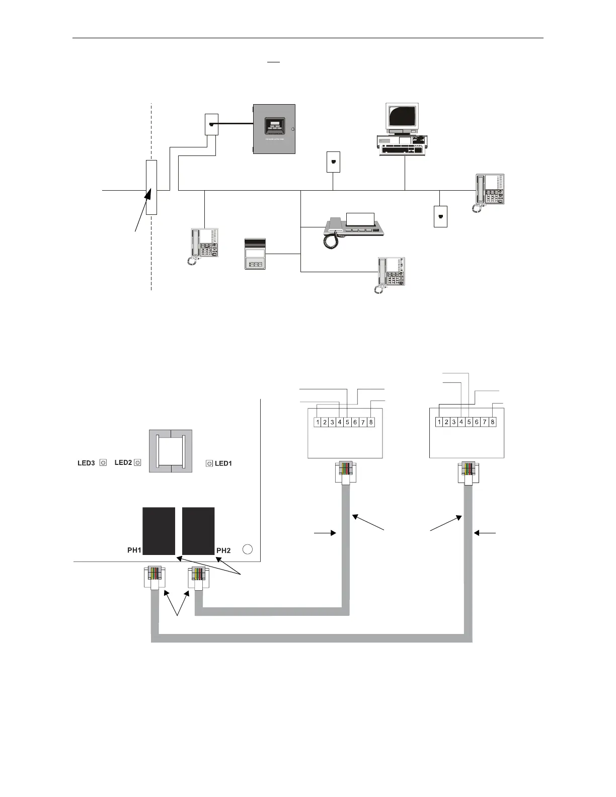
Installation Digital Communicator
Important! The DACT must not be used to dial a phone number that is call-forwarded per require-
ments of UL 864 9th Edition.
The control panel's digital communicator is built into the main circuit board. Connection and wir-
ing of two phone lines is required as shown below.
Figure 2.8 DACT Installation
Customer Premises Equipment and Wiring
Telephone
Line
MS-9050UD
Network
Service
Provider’s
Facilities
Network
Demarcation
Point
RJ31X
Jack
Unused
RJ-11 Jack
Unused
RJ-11 Jack
Telephone
Telephone
Telephone
Answering
System
Fax Machine
Computer
9050ACTAdact.wmf
Figure 2.9 Wiring Phone Jacks
9050udjack2.wmf
KISSOFF
PRIMARY
ACTIVE
SECONDARY
ACTIVE
PHONE LINEPHONE LINE
P
R
I
M
A
R
Y
SECONDARY
Modular Female
Connectors
Male Plug
Connectors
Secondary
Phone Line
PH-2
Primary
Phone Line
PH-1
7 foot cable
MCBL-7
(ordered
separately)
Note: Shorting bars
inside RJ31X Jack
removed during male
plug insertion.
RJ31X Jack
RJ31X Jack
Ring
Ring
Tip
Tip
Tip
Ring
Tip
Ring
Green Wire
Red Wire
To premise phones
Green Wire
Red Wire
To premise phones
(Primary Lines)
Incoming Telco
Phone Lines
(Secondary Lines)
Incoming Telco
Phone Lines

Table of Contents

Other manuals for Fire-Lite MS-9050UD

Related product manuals