EasyManua.ls Logo

Fire-Lite MS-9050UD - Powering ANN-BUS Devices from Auxiliary Power Supply; Wiring Configuration

Fire-Lite MS-9050UD
220 pages
Print Icon
To Next Page IconTo Next Page
To Next Page IconTo Next Page
To Previous Page IconTo Previous Page
To Previous Page IconTo Previous Page
Loading...
MS-9050 Series Manual — P/N 52413:F 10/22/2010 39
ANN-BUS Devices Installation
Wiring Configuration
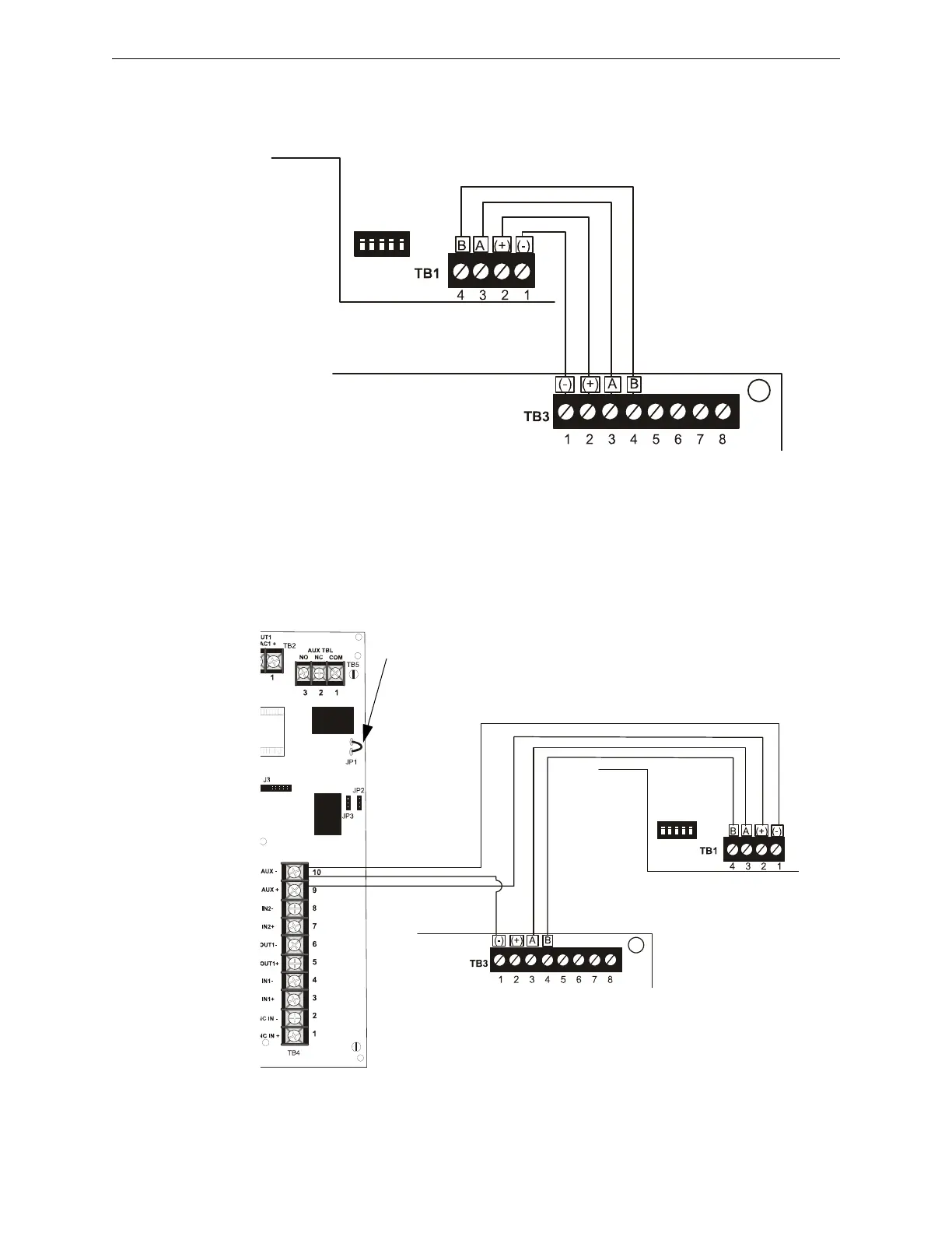
Figure 2.13 illustrates the wiring between the FACP and ANN-BUS devices.
Powering ANN-BUS Devices from Auxiliary Power Supply
Figure 2.14 illustrates the powering of ANN-BUS devices from an auxiliary power supply such as
the FCPS-24FS6/8, when the maximum number of ANN-BUS devices exceeds the ANN-BUS
power requirements.
Figure 2.13 FACP wiring to ANN-BUS Device
ANN-BUS Device
MS-9050UD
ANN-BUS and power wiring are
supervised and power-limited
Primary ANN-BUS
Figure 2.14 Powering ANN-BUS Devices from FCPS-24FS6/8
ANN-80
MS-9050UD
FCPS-24FS6/8
-24 VDC
+24 VDC
ANN-BUS
Cut Ground Fault Detection jumper JP1 (FACP monitors for ground faults)
ANN-BUS and power wiring are
supervised and power-limited
ann80tofcps.wmf

Table of Contents

Other manuals for Fire-Lite MS-9050UD

Related product manuals