EasyManua.ls Logo

Frymaster FPGL330CA - Cleaning the Gas Valve Vent Tube; Checking the Burner Manifold Gas Pressure

Frymaster FPGL330CA
102 pages
Print Icon
To Next Page IconTo Next Page
To Next Page IconTo Next Page
To Previous Page IconTo Previous Page
To Previous Page IconTo Previous Page
Loading...
1-5
1.6 Cleaning the Gas Valve Vent Tube
1. Set the fryer power switch and the gas valve to the OFF position.
2. Carefully unscrew the vent tube from the gas valve. NOTE: The vent tube may be straightened for ease of
removal.
3. Pass a piece of ordinary binding wire (.052 inch diameter) through the tube to remove any obstruction.
4. Remove the wire and blow through the tube to ensure it is clear.
5. Reinstall the tube and bend it so that the opening is pointing downward.
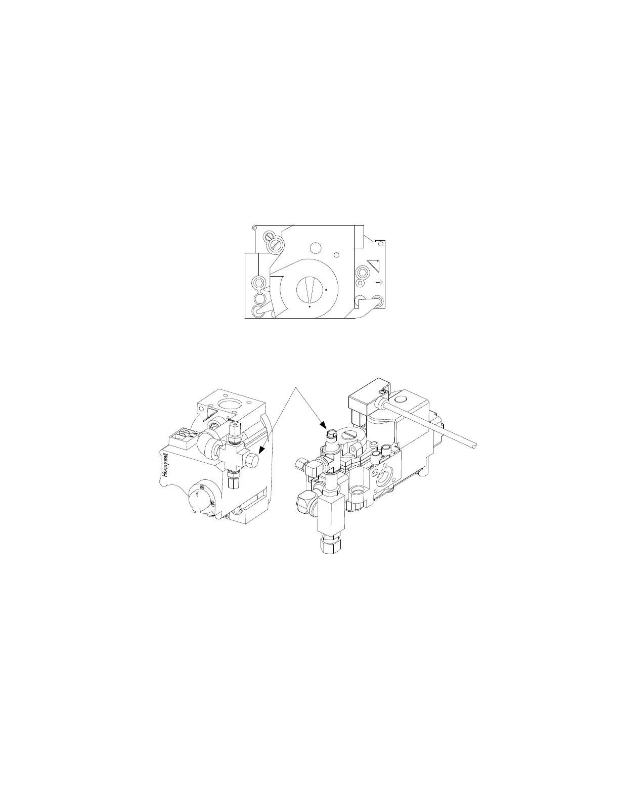
1.7 Checking the Burner Manifold Gas Pressure
1. On non-CE fryers only ensure that the gas valve knob is in the OFF position.
Honeywell
ON
OFF
2. Remove the pressure tap plug from the gas valve assembly.
Typical Non-CE
Valve Assembly
Typical CE Valve
Assembly
Pressure Tap Plug
3. Insert the fitting for a gas pressure-measuring device into the pressure tap hole.
4. On non-CE fryers only, place the gas valve in the ON position.
5. Place the fryer power switch in the ON position. When the burner has lit and burned steadily for at least one
minute, compare the gas pressure reading to the pressure for the corresponding gas in the appropriate table on the
following page. The tables list the burner manifold gas pressures for each of the gas types that can be used with
this equipment.

Table of Contents

Related product manuals