EasyManua.ls Logo

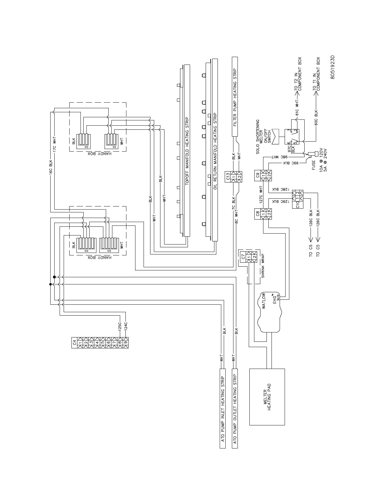
Frymaster FPGL330CA - Shortening Melting Unit Wiring Diagram after to Mar 2012

Frymaster FPGL330CA
102 pages
Print Icon
To Next Page IconTo Next Page
To Next Page IconTo Next Page
To Previous Page IconTo Previous Page
To Previous Page IconTo Previous Page
Loading...
1-55
1.18.6.2 Shortening Melting Unit Wiring Diagram after Mar 2012

Table of Contents

Related product manuals