EasyManua.ls Logo

Frymaster FPGL330CA - Simplified Wiring Diagrams

Frymaster FPGL330CA
102 pages
Print Icon
To Next Page IconTo Next Page
To Next Page IconTo Next Page
To Previous Page IconTo Previous Page
To Previous Page IconTo Previous Page
Loading...
1-49
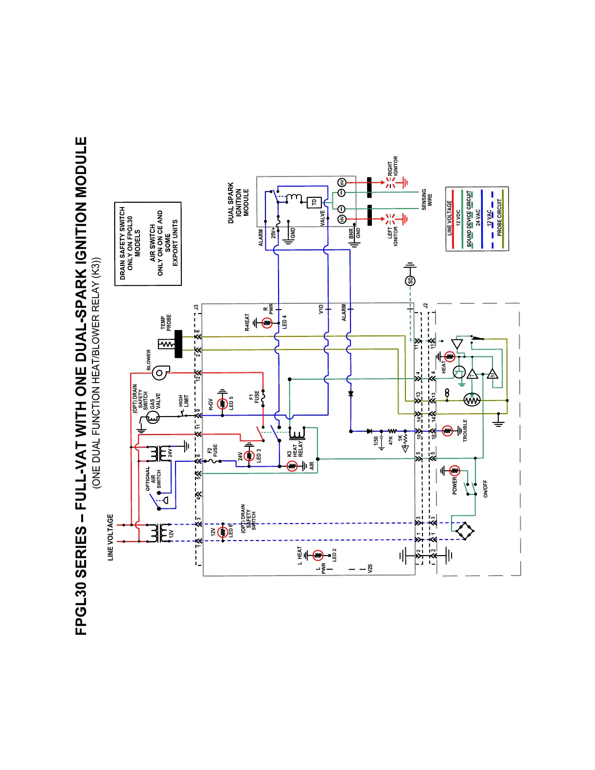
1.18 Simplified Wiring Diagrams
1.18.1 FPGL30 Series Full Vat with Dual Spark Module

Table of Contents

Related product manuals