EasyManua.ls Logo

Frymaster FPGL330CA - Modular Basket Lift (208;250 V)

Frymaster FPGL330CA
102 pages
Print Icon
To Next Page IconTo Next Page
To Next Page IconTo Next Page
To Previous Page IconTo Previous Page
To Previous Page IconTo Previous Page
Loading...
1-47
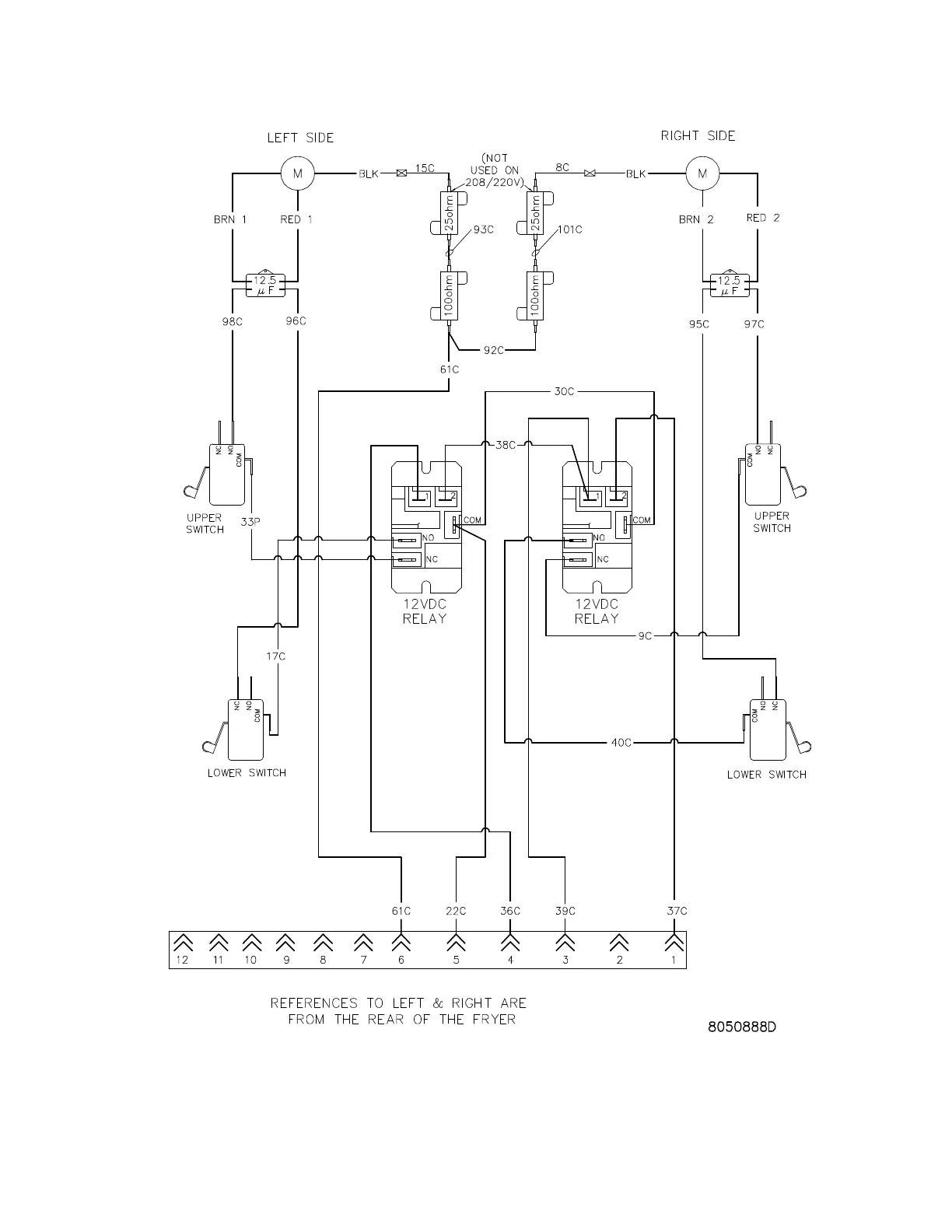
1.17.5 Modular Basket Lift (208/250V)

Table of Contents

Related product manuals