EasyManua.ls Logo

Fuso eCANTER - Page 125

Default Icon
221 pages
Print Icon
To Next Page IconTo Next Page
To Next Page IconTo Next Page
To Previous Page IconTo Previous Page
To Previous Page IconTo Previous Page
Loading...
124
6 Modifications to the basic vehicle
6.13 Others
MITSUBISHI FUSO body/equipment mounting directives for FE Issue date: 20. 10. 2020
! Only print out complete sections from the current version
Miscellaneous
(a) Be sure to consult an authorized MITSUBISHI
FUSO dealer whenever performing any work
other than those noted above, replacing or
disposing of the SRS air bag, or discarding a
vehicle equipped with the SRS air bag.
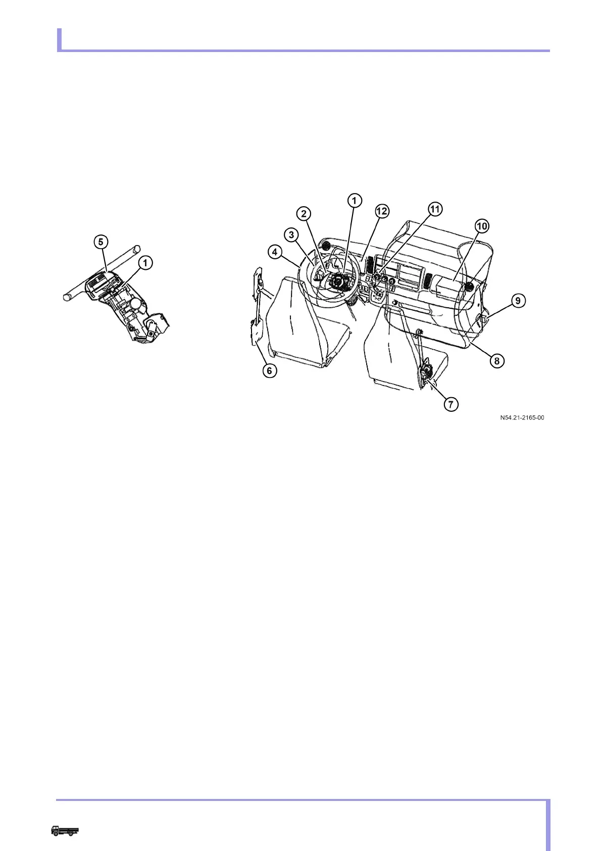
1Clock spring
2 Air bag module on driver's seat side
3 Steering wheel
4 Air bag on driver's seat side
5Air bag module
6 Seat belt with pretensioner on driver's seat side
7 Seat belt with pretensioner on passenger's seat side
8 Air bag on passenger's seat side
9 Sub-G sensor
10 Passenger-side airbag module
11 Airbag control unit
12 SRS warning

Table of Contents

Related product manuals