EasyManua.ls Logo

Graco Pro Xp L40T10 - Smart High Conductivity Air Spray Gun Assembly

Graco Pro Xp L40T10
78 pages
Print Icon
To Next Page IconTo Next Page
To Next Page IconTo Next Page
To Previous Page IconTo Previous Page
To Previous Page IconTo Previous Page
Loading...
Parts
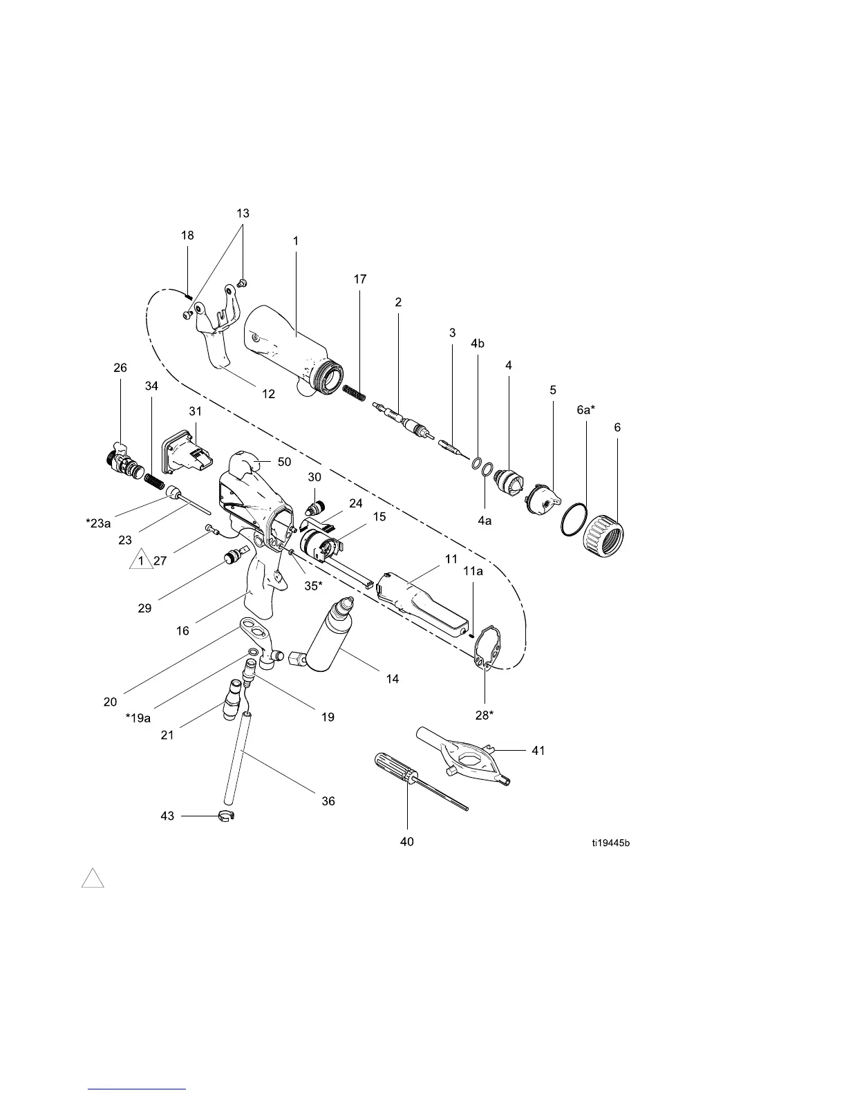
Smart High Con
ductivity Air Spray Gun Assembly
Part No. L60M16 60 kV Electrostatic High Conductivity Air Spray Gun, SeriesB
Part No. L85M16 85 kV Electrostatic High Conductivity Air Spray Gun, SeriesB
1
Torque to 20 in-lb (2 N•m).
58 3A2494E

Table of Contents