EasyManua.ls Logo

Graco Pro Xp L40T10 - Smart Air Spray Gun Assembly

Graco Pro Xp L40T10
78 pages
Print Icon
To Next Page IconTo Next Page
To Next Page IconTo Next Page
To Previous Page IconTo Previous Page
To Previous Page IconTo Previous Page
Loading...
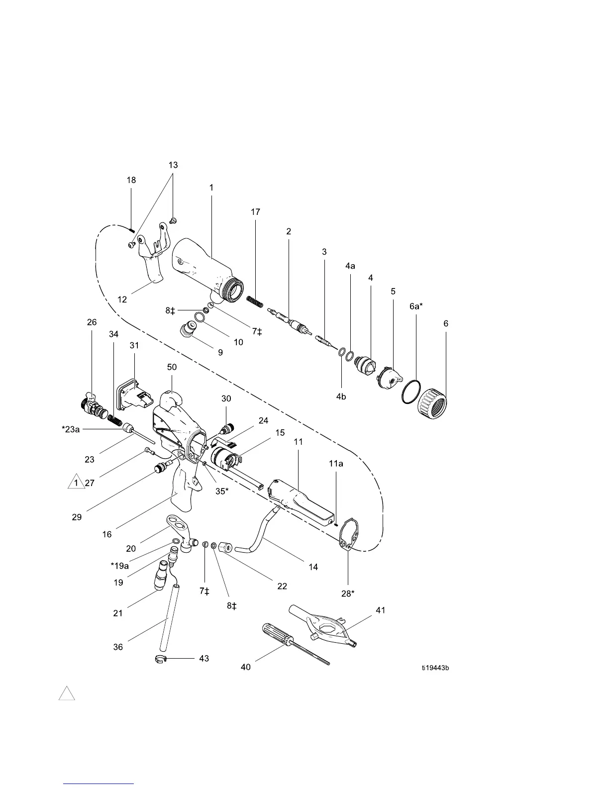
Parts
Smart Air Spra
yGunAssembly
Part No. L60M10 60 kV Electrostatic Air Spray Gun, Series B
Part No. L60M12 60 kV Electrostatic Air Spray Gun, Series B, with 1.2 mm Nozzle
Part No. L85M10 85 kV Electrostatic Air Spray Gun, Series B
1
Torque to 20 in-lb (2 N•m).
60 3A2494E

Table of Contents