EasyManua.ls Logo

Gree U-Match 5 Series - Model: Gud50 W;Nha-T; Model: Gud71 W;Nha-T, Gud85 W;Nha-T

Gree U-Match 5 Series
224 pages
To Next Page IconTo Next Page
To Next Page IconTo Next Page
To Previous Page IconTo Previous Page
To Previous Page IconTo Previous Page
Loading...
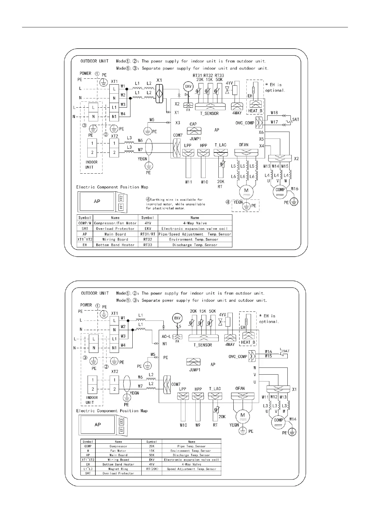
GREE U-Match 5 SERIES UNIT SERVICE MANUAL
27
Model:
GUD50W/NhA-T
Model:
GUD71W/NhA-T, GUD85W/NhA-T

Table of Contents

Related product manuals