EasyManua.ls Logo

Gree U-Match 5 Series - Wall Mounted Type

Gree U-Match 5 Series
224 pages
To Next Page IconTo Next Page
To Next Page IconTo Next Page
To Previous Page IconTo Previous Page
To Previous Page IconTo Previous Page
Loading...
GREE U-Match 5 SERIES UNIT SERVICE MANUAL
37
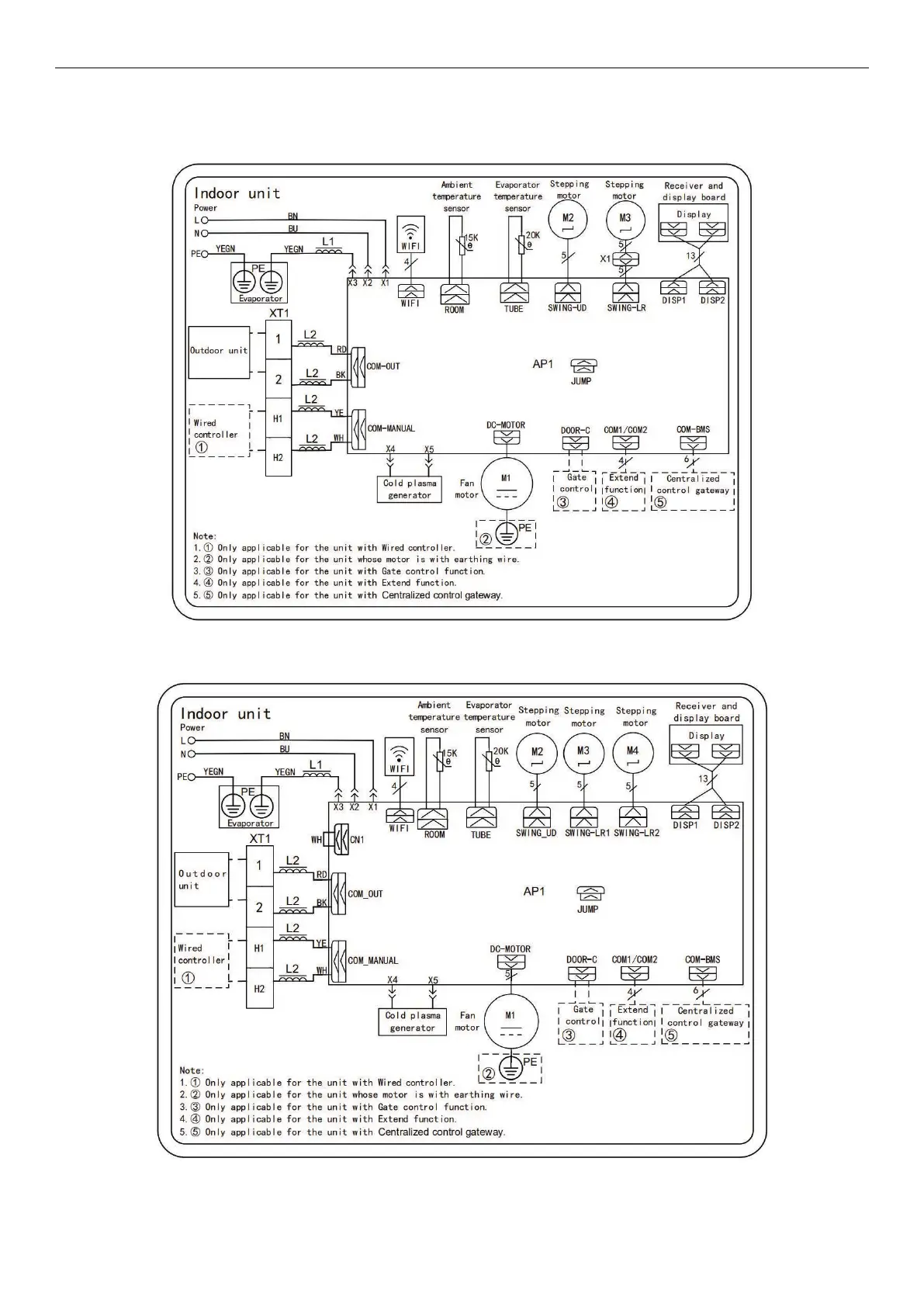
Wall Mounted Type
Model: GUD71G/A-T
Model: GUD100G/A-T

Table of Contents

Related product manuals