EasyManua.ls Logo

Grizzly G0776 - Section 8: Wiring - Electrical Cabinet Wiring Diagram; Electrical Cabinet Wiring Diagram Details

Grizzly G0776
132 pages
Print Icon
To Next Page IconTo Next Page
To Next Page IconTo Next Page
To Previous Page IconTo Previous Page
To Previous Page IconTo Previous Page
Loading...
Model G0776 (Mfd. Since 7/14)
-91-
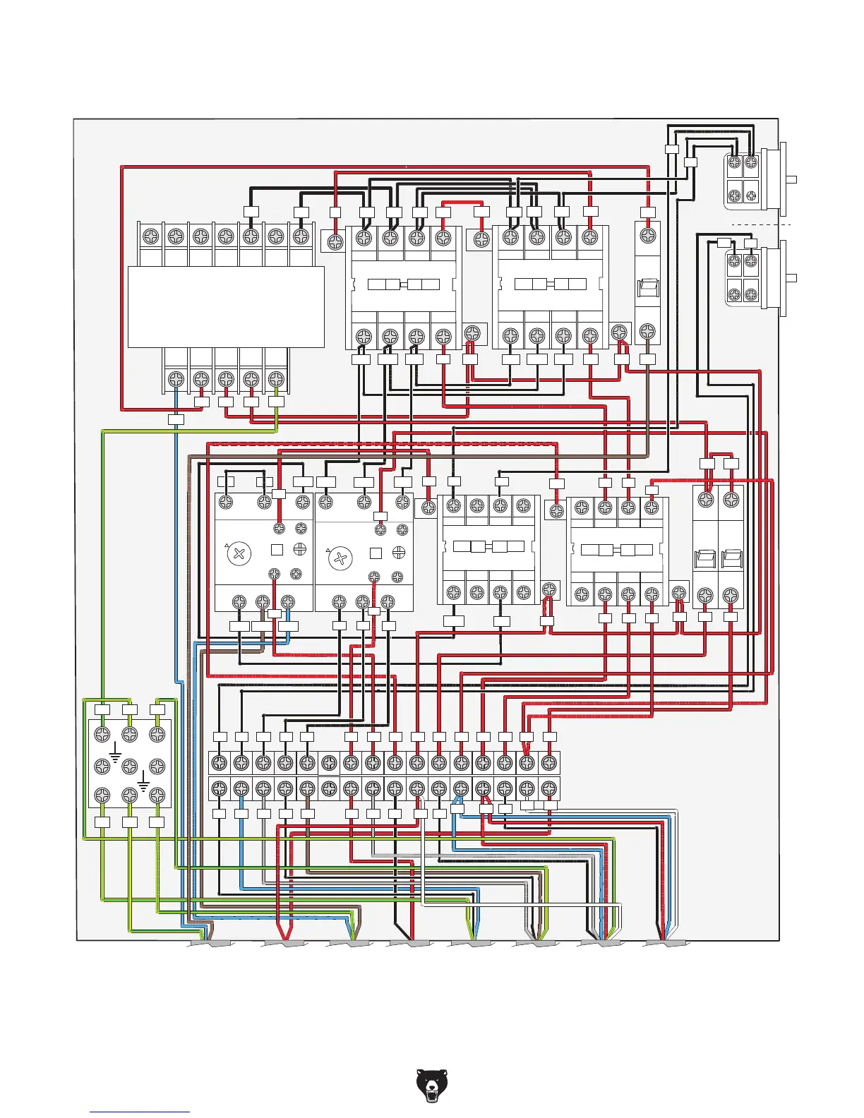
Electrical Cabinet Wiring
2 T1 6 T3 22NC4 T2
1 L1 5 L3 21NC
CJX2 901
KM1
3 L2
A1
A2
26
30 31 32 33 E
25 24 23 22 21 20
13NO
JZC4 40D
33NO 43NO23NO
14NO 34NO 44NO24NO
2 T1 6 T3 22NC4 T2
1 L1 5 L3 21NC
KM2
KA
3 L2
Ground
Ground
1L1 3L2 5L3
2T1
6T3
4T2
TC
20-21 = 110V
20-22 = 220V
20-23 = 230V
20-24 = 240V
20-25 = 400V
20-26 = 415V
A1
A1
A2
A2
Transformer
JBK5-100VATH
Contactor
Contactor
Contactor
Contactor
KM3
QF1
QF3
2 T1 6 T3 22NC4 T2
1 L1 5 L3 21NC3 L2
A1
A2
NC96
NO97
NO
NC95
1L1 3L2 5L3
2T1
6T3
4T2
TEST
RESET
98
JRS2-63/25d
JRS2-63/25d
FR1
8
10
12
12.5
A
Relay
L1
L1N1
L1
L1
8
8
9
9
6
0
0
U11
U11
V21
V21
V21
W11
W11
W11
NC96
NO97
NO
NC95
TEST
RESET
98
FR2
0.3
0.25
0.4
0.35
A
Relay
13
13
10
U10
U10
L10
L10
6
31
11
11 11
31
L21
ON
OFF
QF2
BACK
PE
L
U21
8
2
7
1
3
FRONT
GS-20/04-2
LW26-20
PE
30
L
U1
W1 1
7
7
2
V2
14
15
12
L
N
N
4
4
10
17
5
4
PE
PE
4
N1
L1
N1
N1
L1
L1
N1
L10
L10
Delixi
Delixi Delixi
PE
PE PE
15
0
0
15
0 1 5
5
17
18
0
0
14
U11
6
5
DELIXI
CJX2 0901DELIXI
CJX2 901DELIXI
DZ47-
63 C3
DZ47-
63 C3
DZ47-
63 C3
12 14
12
DRO
Page XX
Light
Brake
Switch
page. XX
Control
Panel
Page XX
Coolant
Pump
page. XX
Main
Motor
Power
Cord
Spindle
ON/OFF
Switch
2
2
10
10
V2
W1
U1
U1 W1 V2
N
17
1
24V
24V
24V
24V
To DRO
Page 95
To Work
Lam
p
Page 96
To Spindle
Motor
Page 93
To Power
Cord
Page 96
To Spindle
ON/OFF Switch
Page 96
To Control
Panel
Page 94
To Brake
Switch
Page 95
To Pump
Motor
Page 95

Table of Contents

Related product manuals