EasyManua.ls Logo

Hioki RM3544-01 - Page 113

Hioki RM3544-01
226 pages
Print Icon
To Next Page IconTo Next Page
To Next Page IconTo Next Page
To Previous Page IconTo Previous Page
To Previous Page IconTo Previous Page
Loading...
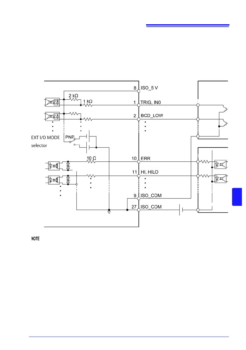
8.3 Internal Circuitry
105
8
Use ISO_COM as the common pin for both input and output signals.
PNP Setting
Do not connect external power to pin 8.
PLC, etc.
PLC, etc.
Output
Input
Common
RM3544, RM3544-01
Common
Zener Voltage 30 V
Internally Isolated Common Signal Ground
* Isolate from the instrument protective ground.
Internally
isolated power

Table of Contents

Related product manuals