EasyManua.ls Logo

Hioki RM3544-01 - Connection Examples

Hioki RM3544-01
226 pages
Print Icon
To Next Page IconTo Next Page
To Next Page IconTo Next Page
To Previous Page IconTo Previous Page
To Previous Page IconTo Previous Page
Loading...
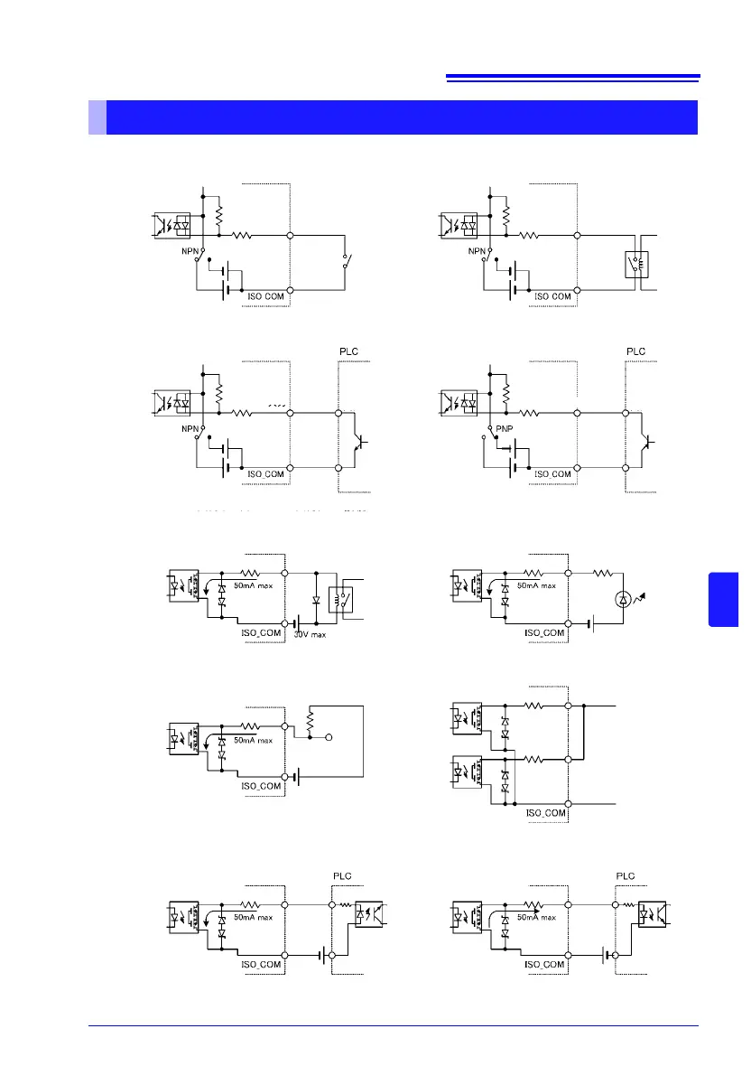
8.3 Internal Circuitry
107
8
Connection Examples
RM3544
Input
Common
RM3544 RM3544
Switch Connections
Relay Connections
Output
Input
Output
PLC Output (PNP Output) Connections
PLC Output (NPN Output) Connections
Input Circuit Connection Examples
Output Circuit Connection Examples
Output
Relay Connections
Output
LED Connection
Output
Output
Output
Active-Low
Active-Low Logic Output
Wired OR
Output
Input
Output
Common
Input
Common
PLC Input (plus common) Connections PLC Input (minus common) Connections
RM3544
Input
RM3544
RM3544
Input
Common
RM3544 RM3544
RM3544
RM3544

Table of Contents

Related product manuals