EasyManua.ls Logo

HP 8921A - DUPLEX TEST Functional Block Diagram

HP 8921A
601 pages
Print Icon
To Next Page IconTo Next Page
To Next Page IconTo Next Page
To Previous Page IconTo Previous Page
To Previous Page IconTo Previous Page
Loading...
286
Chapter 9, Duplex Test Screen
Block Diagram
Block Diagram
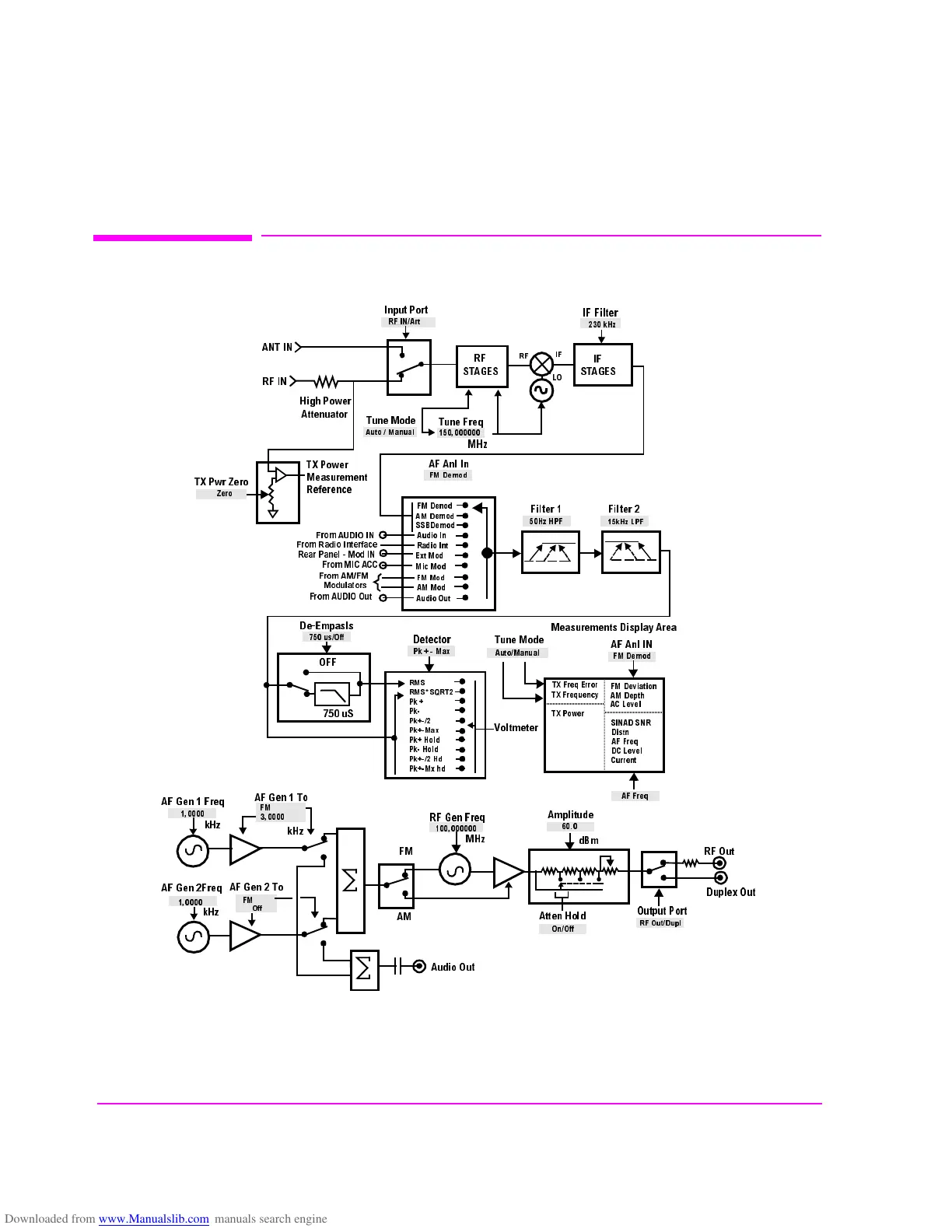
Figure 54 DUPLEX TEST Functional Block Diagram
480OWER
-EASUREMENT
2EFERENCE
!&!N L)N
&ILTER &ILTER
4UNE&REQ
2&
34!'%334!'%3
)&
&ROM!5$)/).
&ROM2ADIO)NTERFACE
4UNE-O DE
-(Z
(IGH0OWER
!TTENUATOR
2EAR0ANEL-O D).
&ROM-)#!##
&ROM!-&-
-ODULATORS
&ROM!5$)//UT
&-$ENOD
!-$EMOD
33"$EMOD
!UDIO)N
2ADIO)NT
%XT-OD
-IC-OD
&--OD
!--OD
!UDIO/UT
$E%MPASLS
US/FF
0K-AX
$ETECTOR
4UNE-ODE
-EASUREMENTS$ISPLAY!REA
(Z(0&
K(Z,0&
!UTO-ANUAL

2&).!RT
!.4).
)NPU T0ORT
2&).
480WR:ERO
,/
)&
2&
:ERO
&-$EMOD
K(Z
)&&ILTER
2-3
2-33124
0K
0K
0K
0K-AX
0K(OLD
0K(OLD
0K(D
0K-X HD
6OLTMETER
!UTO-ANUAL


2&'EN&REQ
!MPLITUDE
-(Z
D"M
&-
2&/U T
!&'EN 4O
!-
/FF

&-

&-
!&'E N4O
!&'EN&REQ

!&'EN&REQ
K(Z
K(Z
K(Z
$UPLEX/UT
/UTPUT0O RT
2&/UT$UPL
!TTEN(O LD
/N/FF
!UDIO/UT
U3
/&&
48&REQ%RROR
!&!NL).
48&REQUENCY
480OWER
&-$EVIATION
!-$EPTH
!#,EVEL
3).!$3.2
$ISTN
!&&REQ
$#,EVEL
#URRENT
&-$EMOD
!&&REQ

Table of Contents

Other manuals for HP 8921A

Related product manuals